Chapter 53
Contact Lens and Prosthesis Infections
JOHN K. G. DART
Main Menu   Table Of Contents

Search

CONTACT LENS CLASSIFICATION
CONJUNCTIVITIS
MICROBIAL KERATITIS
SUMMARY OF THEORIES OF THE PATHOGENESIS OF CONTACT LENS-ASSOCIATED MICROBIAL KERATITIS
ACKNOWLEDGMENTS
REFERENCES

In the past three decades the use of contact lenses (CLs) has dramatically increased both in affluent societies and in the emerging economies. Estimates of the numbers of CL wearers, based on market research, give 34 million users in the United States in 2000 (Contact Lens Council, 8201 Corporate Drive, Suite 850 Landover, MD20785), an overall population penetrance of 12% (USA 2000 Census data, U.S. Dept of Commerce, Economics and Statistics Administration). In England and Wales, in 1998 there were over 2.25 million CL users, a penetrance of 5%, with wide regional variations,1 These figures are likely to be representative of those for the developed economies. Most lenses are used as an alternative to spectacles for the correction of low refractive errors. This is sometimes termed “cosmetic” lens wear to distinguish it from the medical use of lenses, either for the correction of refractive errors such as aphakia and keratoconus, or as therapeutic lenses in the management of ocular surface disease. Prosthetic contact lenses are used to improve the appearance of damaged eyes. To the majority of users these applications of lenses have delivered vision and cosmesis, unobtainable with spectacles.

However, CLs have always been associated with complications. Most of these have no long-term consequences for vision and resolve when lens wear is discontinued.2 Of the infections that may complicate lens wear, microbial conjunctivitis is generally self-limiting. However, microbial conjunctivitis is probably over-diagnosed in CL users and is often mistaken for other, non-microbial, causes of conjunctivitis that are peculiar to CL and prosthesis users. This can result in inappropriate treatment and unnecessarily prolonged morbidity. On the other hand, corneal infection (microbial keratitis), although infrequent, is one of the most serious complications of CL wear because of its potential for loss of vision and progression after lens removal. It may occasionally result in a fulminating infection with corneal perforation and blindness. With such large numbers of users of contact lenses, even a low incidence of serious complications may result in substantial numbers of affected individuals in the community. In some populations CL wear has now become the major predisposing factor for corneal infection3–5 and is a matter of public health importance. Infections in CL users have a different epidemiology and pathogenesis compared to infections in other patient groups.2 Understanding these differences is essential to the management and prevention of keratitis in this large population of susceptible individuals.

This chapter discusses the differentiation of microbial conjunctivitis and keratitis from the other causes of conjunctival and corneal inflammation in CLs users. The epidemiology in terms of the causative organisms and the incidence and risk factors are summarized. The evidence from the epidemiologic, clinical, and laboratory studies is integrated to describe the current understanding of the pathogenesis of infection in lens users.

Back to Top
CONTACT LENS CLASSIFICATION
CLs may be classified by their material, type of fit, wearing and disposal schedules6,7 as shown in Table 1. They may also be classified by the indication for their use. Differences between lenses are important because they are associated with different risks for the development of infection. Differences in the fit (relationship of the lens to the ocular surface) and physical characteristics of CLs may account for some of the differences in the risks for keratitis (discussed later).

 

TABLE 1. Classification of Contact Lenses


 Type of CLComments
RigidSoftHybrid
MaterialsGPHydrogelGP/hydrogel sandwicha 
 PMMASilicone rubber  
  Silicone/hydrogel  
DesignCorneal  Fitted within the cornea. This is the usual fit for rigid CLs.
 Semi-scleralSemi-scleralSemi-scleralFitted over the cornea and limbus. This is the usual fit for soft CLs. Rigid lenses fitted in this way are used when a corneal lens is unstable.
 Scleral  Rigid CLs fitted over the cornea and limbus and stabilized by extensive contact with sclera. These are used when a corneal or semi-scleral lens is unstable or as therapeutic lenses for maximal ocular surface cover.
Wear ScheduleDWDWDW 
 EWEW A minimum period of 24 hr of continuous wear;7 days of continuous wear is commonly recommended. Up to 3 mo. or more is recommended for for some users.
 Flexible wearFlexible wear DW with occasional continuous wear, as required.
Disposal FrequencyReusableReusableReusableCan be reused for more than 6 mo.
 Planned replacement  Planned replacement of CLs every 1–6 mo.
  Disposable EW Replaced after each use. 7 days of continuous wear is usual.
  “Disposable” DW CLs removed at end of each day, stored overnight, and replaced after 1–4 wk. This usage regimen is not truly disposable but reusable CLs that are frequently replaced.
  Disposable DW CLs replaced after 1 day of use.

CLs, contact lenses; DW, daily wear; EW, extended wear; GP, gas-permeable; PMMA, polymethyl methacrylate.
a Softperm lens, Cibavision, UK.

 

Soft contact lenses (SCLs), which look the same whether for daily or extended wear but differ in their water content and thickness, are fitted to ride over the limbus and move 1 to 2 mm with each blink. These lenses depend on oxygen diffusion through the lens material to satisfy the oxygen requirements of the cornea.8 Silicone hydrogel, a new soft lens material, was introduced in 1999 and approved for extended wear use for periods of 6 and 30 days in different countries.9 Unlike soft hydrogel, this material utilizes silicone to greatly increase oxygen transmission through the lens while maintaining the “feel” of a soft lens.10

Rigid contact lenses (RCLs) are usually fitted within the cornea to enable good movement with each blink. The lens movement and the shape of the lens edge in a rigid lens is designed to ensure adequate flow of oxygenated tears under the lens in order to meet the oxygen demands of the cornea; in rigid gas-permeable (RGP) CLs, oxygen also diffuses through the lens. Modern RGP lens materials provide a greater oxygen transmission than soft hydrogel lens materials. As a result of this and the tear flow under the lens, these meet corneal oxygen requirements.11

Scleral lenses are fitted to the sclera, and the physiologic requirements of the cornea are met, as far as possible, by designing the lens to allow tear exchange under the lens. More recently, gas-permeable scleral lens materials have become available.12

Lens wearing and replacement schedules also influence the risk for keratitis. Wearing schedules may be either daily wear (DW), in which they are removed for sleep, or extended wear (EW), in which they are retained for at least 24 hours without removal, usually for 1 to 4 weeks of continuous wear. In the United States, the Food and Drug Administration recommends that the use of soft hydrogel lenses for continuous wear be limited to 7 days only.13 Silicone hydrogel lenses were approved in 2001 for up to 30 days of continuous wear following evidence of a reduced risk of infection. SCLs are much more widely used than RGP CLs for extended and flexible wear. SCLs may be reusable, planned replacement, or disposable types. Reusable SCLs are maintained for 6 months or more. Planned replacement SCLs are replaced every 1 to 26 weeks; they are usually dispensed in multipacks and replaced periodically after further assessment by the practitioner. Disposable SCLs are discarded after each use, either daily (daily disposable) or after a period of continuous wear.

Most CLs are worn for cosmetic reasons as an alternative to spectacles by individuals with low degrees of hyperopia and myopia rather than for any improvement in vision. The most common medical indications are the correction of vision in keratoconus (usually RGP CLs) and aphakia (commonly daily or extended wear RGP CLs or SCLs), and as therapeutic CLs, which are fitted primarily for maintaining the integrity of the eye and relieving pain, rather than for vision; these may be of any design and material but are usually semi-scleral SCLs. Prosthetic CLs are fitted to improve the appearance of a damaged eye and may be made of a variety of materials, usually in semi-scleral or scleral designs, to achieve their prosthetic effect; soft, polymethylmethacrylate, and gas-permeable materials are all used.

Back to Top
CONJUNCTIVITIS

DISTINGUISHING INFECTIVE FROM OTHER CAUSES OF CONJUNCTIVITIS

Conjunctival inflammation in cosmetic CL and prosthetic CL users has several causes that must be distinguished from infection. CL-related papillary conjunctivitis (giant papillary conjunctivitis)14 is frequently confused with conjunctival infection particularly in prosthetic CL users,15 in whom lens-related papillary conjunctivitis can be florid. Thimerosal keratoconjunctivitis, now an infrequent diagnosis as a result of the withdrawal of this agent as a disinfectant in CL solutions in most countries, may also be misdiagnosed as microbial conjunctivitis.16 These diseases can usually be distinguished by distinctive features of their onset, symptoms, and signs that only superficially resemble those in microbial conjunctivitis. Conjunctival culture is seldom necessary and may be misleading, as a light growth of organisms from the conjunctival sac is a normal finding. Table 2 describes the principal distinguishing features of these disorders. Complete resolution of clinical signs is normal after microbial conjunctivitis, unless this is associated with membrane formation, whereas, following both CL-related papillary conjunctivitis and thimerosal keratoconjunctivitis, signs of disease may persist for months or years even though the symptoms improve rapidly after discontinuing CL wear.

 

TABLE 2. Clinical Characteristics of the Principal Causes of Conjunctivitis in Contact Lens Users


 Contact lens–associated papillary conjunctivitisThimerosal kerato-ConjunctivitisMicrobial Conjunctivitis
SymptomsSubacute onset. Symptoms may be relieved by refitting with new lenses for 1–2 wk, or by a period without lens wear, before recurring. Mucous discharge, with minimal inflammation, greasing of lenses, itching on lens removal, increased mobility of soft lenses with blinking. Itching after lens removal in early stages; moderate to severe irritation or severe discomfort during lens wear in the later stages with variable loss of tolerance. Acuity unaffected.Irritation and severe hyperemia with discomfort and epiphora increasing over 1–2 wk. Rapid relief of symptoms, following lens removal, in early disease. Symptoms recur within hours of lens reinsertion or exposure to thiomersal. In chronic disease, vision is blurred with contact lenses and deteriorates further with spectacles.Acute onset in hours. Mucopurulent discharge. Diffuse hyperemia from outset. Vision affected by pus in tear film in bacterial keratitis and by keratopathy in some viral infections. Systemic symptoms may be present in viral and chlamydial infections.
Conjunctival signsOnly upper tarsal conjunctiva affected. Rarely, bulbar conjunctival hyperaemia. In mild cases only, increased conjunctival cellularity. Micropapillae in moderate cases and giant papillae [>1 mm] with apical fibrosis in advanced cases. Clear mucous discharge.Intense hyperemia soon after exposure to lens or to thiomersal in solution. Few conjunctival signs except some follicles after hyperemia has resolved.Diffuse conjunctival hyperemia and cellularity with formation of micropapillae, and a mucopurulent discharge, within hours of onset of bacterial infection. Viral and chlamydial infections similar, but with early follicle formation, often on the bulbar conjunctiva in chlamydial disease.
Corneal signsNone.Superior limbal hyperemia, edema, and neovascularization of superior cornea. Keratopathy affecting superior cornea and extending into the visual axis in advanced cases. Corneal changes may include epithelial infiltrates, microcysts, and anterior stromal opacity.Keratopathy uncommon in bacterial disease. Punctate corneal infiltrates common in viral and chlamydial disease. Coarse anterior stromal infiltrates develop several days after onset of adenoviral infection. Pseudomembrane formation common with adenovirus.
Contact lens–related associationsAll lens types. Commoner with extended wear and other soft lenses. Common in users of prosthetic shells. Associated with spoiled lenses, poor lens hygiene, and a history of allergy.Strongly associated with the use of thimerosal in soft lens care solutions. May develop after years of uneventful use of the same solutions. Very rare in rigid lens users.No established association with any lens type.

 

EPIDEMIOLOGY AND PATHOGENESIS

It is not clear whether bacterial conjunctivitis in cosmetic CL users is an intercurrent event unrelated to the use of CLs or whether CL wear may precipitate bacterial conjunctivitis. The well-established contamination of CL storage cases might be expected to result in an excess of conjunctivitis in CL users, but it is also possible that the ocular surface defenses against infection largely neutralize this potential. There have been several studies on the conjunctival microbial flora of CL wearers. A common finding has been a decreased frequency of positive cultures from the eyes of CL wearers compared with controls. These flora have usually been reported as qualitatively unchanged from those in normal eyes or in eyes before lens wear.17–21 However, an increase in gram-negative organisms has been shown in both RCL21 and SCL22 users. Contamination of the lens care materials was shown in only one of the studies.22 The decreased frequency of positive cultures reported in CL wearers has been ascribed to better hygiene during the study period and the effect of antimicrobial lens solutions, introduced by the CLs, on the resident flora in the conjunctival sac.

Prosthetic CL wear, on the other hand, has been associated with bacterial conjunctivitis. Conjunctival cultures from prosthetic CL users show a higher prevalence of bacteria and an increase in the proportion of gram-negative organisms.23 This may be related to a reduced standard of hygiene in prosthetic CL users. Viral keratoconjunctivitis may be transmitted by hand-to-eye contact, upper respiratory droplet infection, or contaminated solutions. Adenovirus conjunctivitis may be transmitted by all three routes but has not been identified as a particular hazard of cosmetic or prosthetic CL wear; there have been few studies of viral contamination of CL care materials. CL fitting carries a risk of transmitting viral as well as bacterial infection, including human immunodeficiency virus type 1 (HIV-1) which has been isolated from both the tears and ocular surface cells of AIDS patients, although HIV infection via this route has never been demonstrated.24 However, most lens care regimens are probably effective against HIV-1,25although not necessarily against adenoviruses.26 Soft trial lenses are no longer reused in the United Kingdom (UK) because of theoretical risks for the transmission of variant Creutzfeld-Jacob disease (vCJD). Hard trial lenses can be disinfected in hydrogen peroxide 3%, which is probably effective against vCJD as well as viral infection.27

Cosmetic and prosthetic CL use has not been shown to result in any modification of the pathogenesis of microbial conjunctivitis, with the possible exception of chlamydial conjunctivitis. The latter has been reported in a series of 20 CL users who had a mild follicular conjunctivitis without the hyperemia or conjunctival discharge usually associated with this condition.28

Back to Top
MICROBIAL KERATITIS
Microbial keratitis is defined as corneal inflammation due to the presence of replicating organisms. The characteristic appearance is the result of focal corneal inflammation as a response to the presence of organisms. However, this appearance is non-specific and often occurs in the absence of infection. The difficulty of differentiating, either clinically or with laboratory investigations, between corneal ulcers due to replicating organisms (MK) and corneal ulcers resulting from hypersensitivity responses to a variety of stimuli (sterile keratitis) has led to controversy that has been compounded by the terminology. The terms ulcerative keratiti29 and presumed microbial keratitis4 describe keratitis that is probably due to replicating organisms, but in which laboratory investigations may have been negative. A heterogeneously named collection of conditions (summarized in Table 3) describes focal keratitis in CL users that is nonprogressive and probably the result of a hypersensitivity response initiated by the presence of microorganisms. The terms peripheral sterile ulcers, 30sterile corneal infiltrates,31,32and contact lens induced peripheral corneal ulcers,33 refer to focal keratitis lesions either with or without epithelial involvement or with minimal ulceration, whereas the terms peripheral corneal infiltrates34 and infiltrative keratitis (IK) which may be asymptomatic33 refer to similar symptomatic lesions but without corneal epithelial defects. In these conditions there is no evidence of replicating organisms. In this chapter, microbial keratitis (MK) is used to describe keratitis resulting from invasion by replicating microorganisms, and CL-associated sterile keratitis (CLASK) describes keratitis due to other causes.

 

TABLE 3. Definition of Microbial Keratitis and Aseptic Keratitis With Distinguishing Clinical Characteristics


 Microbial KeratitisContact Lens–Associated Sterile Keratitis (CLASK)
DefinitionThere is a high probability that replicating bacteria are the principle factors in the pathogenesis. Microbiologic investigations may not be positive.There is a high probability that replicating bacteria are not involved in the pathogenesis. No laboratory investigations are available to confirm the diagnosis.
Clinical criteriaLesions often central but can be in any location.Peripheral lesions, occasionally central, often multiple.
 Lesions > 1 mm in diameter.Lesions usually < 1 mm may be > 1 mm, sometimes arcuate in the limbal zone
 Epithelial defect usually present but not mandatory.Intact epithelium in early or mild lesions (contact lens–associated sterile infiltrative keratitis [CLSIK]). Ulcerated lesions with ulceration in severe or late lesions (contact lens–associated sterile ulcerative keratitis [CLSUK]).
 Pain, progressively deteriorates and may be severe.Mild, non-progressive pain.
 Diffuse and/or severe progressive corneal suppuration.Mild, non-progressive corneal infiltration.
 Iridocyclitis.Minimal anterior chamber reaction.
  Asymptomatic lesions (contact lens–associated asymptomatic sterile keratitis [CLASK]).

aIncludes the term presumed microbial keratitis.
bIncludes the terms peripheral corneal ulcers, sterile corneal infiltrates, contact lens–associated corneal ulcers, infiltrative keratitis, asymptomatic infiltrative keratitis

 

DISTINGUISHING INFECTIVE FROM OTHER CAUSES OF KERATITIS

Differentiating MK from CLASK is important both because the management of the individual patient is quite different for the two disorders and because a satisfactory case definition is critical to the study of these different diseases. Current laboratory techniques cannot be reliably used to differentiate microbial from sterile keratitis. CLASK is a diagnosis of exclusion, both because there are no laboratory investigations to substantiate the different causes, and because microbiologic investigation in CLASK has a low sensitivity. It is well established that a negative corneal culture cannot be used to eliminate a microbial cause or, conversely, to validate a sterile cause. Large series of MK cases have documented a culture-positive rate of 50% in in-patient populations comprising the more severe cases,35 whereas a high proportion of CLASK cases are small lesions that may be expected to be culture positive less often. Negative culture results from microbial lesions may occur for several reasons: small volumes of infected material are available for culture, viable organisms present in deep tissues are less available to corneal sampling methods, and pretreatment with antibiotics reduces the viability of invading organisms. For these reasons, clinical criteria have to be used both for the diagnosis of individual patients and in studies designed to investigate these disorders. The size and position of the lesion and presence or absence of an epithelial defect31 are not diagnostic, although these criteria alone have often been used to attempt to differentiate the lesions. The clinical criteria that may be used to differentiate these lesions are summarized in Table 331,32 and illustrations of the lesions are shown in Figures 1, 2, 3, and 4. The use of clinical criteria has been supported by epidemiologic data showing that these definitions can distinguish between distinct disease processes.36

Fig. 1. A contact lens–associated sterile infiltrative keratitis (CLSIK) without an epithelial defect showing a common peripheral arcuate morphology.

Fig. 2 Contact lens-asociated sterile ulcerative keratitis (CLSUK) showing a typical focal lesion with an epithelial defect.

Fig. 3. Early Pseudomonas keratitis showing an ulcer similar in size to those shown in Figures 1 and 2, but with a more intense surrounding inflammatory reaction following the onset of symptoms 16 hours earlier.

Fig. 4. Established Pseudomonas keratitis with a corneal abscess. The onset of symptoms was 3 days earlier.

There is only sparse literature on keratitis associated with prosthetic CL use or the use of therapeutic CLs (TCLs). It is a reasonable assumption that those aspects of the epidemiology, pathogenesis and prevention of keratitis in prosthetic CL users that are determined by the materials, wearing pattern, and lens care systems will be similar to those in cosmetic CL userses. However, aspects determined by the ocular response to lens wear will be modified in unpredictable ways by the effects of prosthetic and therapeutic lenses on already abnormal ocular tissues. The following discussion refers principally to cosmetic CL wear although separate reference is made, where appropriate, to special considerations for prosthetic and therapeutic CL wear.

EPIDEMIOLOGY

Epidemiology is the study of the distribution and determinants of disease in a population. Epidemiologic studies have made a substantial contribution to our knowledge both of predisposing causes and of some of the factors to be considered in the pathogenesis of MK, particularly in CL wearers. Until the use of CLs became widespread as an alternative to spectacles, MK occurred in eyes with disrupted ocular defence mechanisms. The most important causes were corneal trauma and surgery, post-herpetic corneal disease, bullous keratopathy, corneal anaesthesia, corneal exposure, and the dry eye. CL wearers made up only a small proportion of patients with this disease.37–39 In the 1980s the number of CL users grew and the proportion of MK cases attributed to CL wear rose to over 50% in some centers, 3,5,40,41 making CL wear one of the major predisposing factors for MK in some populations. This problem has been of concern because, unlike other causes, it can be avoided and is potentially preventable.

Pathogenic Organisms in Therapeutic Contact Lens Users

TCL users are affected by a spectrum of organisms that differs from those affecting other contact lens users.5,41,42 Pseudomonas is a relatively rare cause of infection TCL users, whereas gram-positive organisms, particularly Streptococci, are common. Candida and other fungi,43 as well as unusual bacteria, are relatively frequent causes of keratitis in this group.44

Pathogenic Organisms in Cosmetic Contact Lens Users

In cosmetic CL users, bacteria and free-living amoebae are the principal causes of keratitis. It is an unfortunate accident of nature that Pseudomonas is one of the most virulent pathogens that can invade the cornea and Acanthamoeba among the most difficult to eliminate.

BACTERIA.

Bacterial infections predominate. However, polymicrobial infections are common and consist of any combination of bacterial types. Less often, bacterial keratitis may be combined with fungi, amebae, and herpesvirus. Descriptive studies and keratitis case series have shown that gram-negative bacterial infections predominate in cosmetic CL wear. Pseudomonas is the commonest organism (see Figs. 3 and 4) followed by gram-positive infections with Staphylococcus aureus and S epidermidis. Serratia is also frequently isolated with other gram-negative enterobacteria, including Escherichia coli.45

ACANTHAMOEBA.

One of the most astounding developments in ocular microbiology in the last 15 years has been the emergence of Acanthamoeba as an important pathogen in CL users. Figures 5 and 6 show the early stages of Acanthamoeba keratitis. Before 1986 only 31 cases were reported to the Centers for Disease Control in the U.S., whereas in a 9-month period in 1986, 24 cases, 20 of which were CL-associated.46 The number of cases increased to about 200 by 1989; it was proposed that the increase partly resulted from the growth in popularity of CL wear,47 which is associated with Acanthamoeba infection in about 85% of cases.

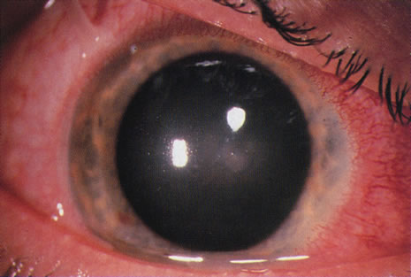
Fig. 5. Early Acanthamoeba keratitis 2 weeks after the onset of symptoms for comparison with the time course and appearance of the Pseudomonas keratitis in shown in Figures 3 and 4. Epithelial and anterior stromal infiltrates are shown.

Fig. 6. Radial keratoneuritis in Acanthamoeba keratitis 2 weeks after onset of symptoms.

The highest reported numbers of Acanthamoeba keratitis cases are from the UK, possibly as the result of the widespread use of domestic tank-stored water supplies in which the organism can proliferate.48 Acanthamoeba keratitis increased in the UK in the early 1990s, with one major center reporting 20 cases from 1984 to 1989, rising to 162 cases for the period 1990 to 1995.49,50 In Europe,the disease is possibly rarer, under-diagnosed,or under-reported.51,52

FUNGI.

Although fungi can contaminate the lens case and have the potential to invade soft lens materials, they have rarely been implicated as a cause of MK in CL users. It is likely that CL use has a minimal effect on the predisposition to fungal infection. Fusarium, Curvularia, and Paecilomyces have been reported.43,53 Fungal infection has also been reported in daily disposable and planned replacement SCL users.54,55

Table 4 summarizes some case series of keratitis and is divided into two periods; up to 1987,40,42,56–75 when Acanthamoeba was infrequently reported in CL users and when the range of CL types available was limited, and from 1988,54,55,76–79 when Acanthamoeba keratitis was reported in greater numbers at the same time that a wider range of lens types became available. Currently the proportion of CL keratitis cases resulting from Acanthamoeba keratitis varies from 5% to 25% of all culture-positive cases.76–79

 

TABLE 4. Summary of Case Series of Keratitis in Contact Lens Users 1960–2001


 1960–198740,42,56–751988–200154,55,76–79
Lens types19947
Reusable EW SCL 5
Planned replacement EW SCL 18
Disposable EW SCL  
Reusable DW SCL99 
Planned replacement DW SCL 7
Disposable DW SCL 1
Unknown type of SCL1349
Unknown type of DW SCL 63
Any reusable or disposable SCL 54
GP RCL3452
Therapeutic CL1722
Other332
Organisms
 Number (%)Number (%)
Gram-negative187 (40)98 (31)
   Pseudomems aeruginosa141 (30)74 (23)
   Serratia spp.1310
   Other9 
Gram-positive43 (9)54 (17)
   Staphylococcus spp.35 (7)44 (14)
   Other8 
Mixed bacterial infections17 
Unknown or unrecorded bacteria614
Fungi85
Acanthamoeba023 (7)
Total467319

EW SCL, extended wear soft contact lens; DW SCL, dailywear soft contact lens; GP RCL, gas-permeable rigid contact lens.

 

HERPESVIRUS, RARE BACTERIAL CAUSES, AND MICROSPORIDIA.

Herpetic keratitis has not been associated with or apparently modified by CLs wear, although it is frequently misdiagnosed in CL users with amoebic keratitis, some of whom may have both conditions concurrently.80 Most of the rare bacterial causes of keratitis have been isolated from CL users, including Nocardia asteroides in EW SCL users,81 atypical mycobacteria in both RCL and SCLusers,82,83 and Microsporidia in an immunocompetent CL user.84 The importance of these uncommon associations is to be aware that CL users, like other patients, may be infected by a range of organisms; when the disease course is atypical, clinicians should be alert to the possibility of a less common cause. For example, the cases of fungal ring infiltrates in disposable CL wearers were initially mistaken for Acanthamoeba infection.55

Measuring the Incidence and Risks of Keratitis

Information about the incidence and risks of serious complication of CLs wear is needed both to ensure that lenses and lens care systems are safe and to give users and practitioners information that will allow them to make informed choices about the risks and benefits of different lens types and care systems. There is now heightened awareness of the potential problems associated with the use of different modalities of CL wear since the identification of the increased risks of extended wear in 1989 and 199085,86 and publication ofstudies showing increased, and largely avoidable, risks for Acanthamoeba keratitis in planned replacement DW SCL users.87

Information has come from a number of sources: national surveys, clinical trials, descriptive studies, population-based incidence studies, and case control studies. All these study designs have limitations that must be understood to interpret the data. National surveys have been limited by incomplete ascertainment of the cases and the size of the population at risk. Many small, prospective cohort studies of complications of different types of lens wear have usually been carried out as clinical trials. This design is generally inappropriate for the study of rare conditions because the size of the cohort may need to be too large to be practical. This has sometimes been taken to mean that the problem is too infrequent to be of concern. However, this is not the case when there is a very large population exposed or when the disease, like keratitis, may be severe. The limitations of this study design have often been overlooked when it has been used to assess the potential of CLs for keratitis and when data from clinical trials have provided little information about the risks for keratitis. For these reasons, descriptive studies in the form of the case reports and case series summarized in Table 4, rather than clinical trials, first identified the probability that there was an increased risk of keratitis associated with some CL types. Recently, the case control study design has been used to overcome some of the problems of clinical trials and to resolve the uncertainties arising from the results of descriptive studies in the assessment of risk for rare complications like keratitis. The case control study is ideally suited to investigating whether there are differences in risks among CL types, allowing comparison of new types of lens and lens-wearing regimens with those for which the level of risk is better established. The advantages and disadvantages of these different study designs have been reviewed.88 Case control studies have provided quantitative data on differences in risk for different lens types and other causes of keratitis. They have also been used to investigate, by multivariable analysis, the influence of additional factors that are associated with the use of different lens types and which might contribute to the risk of keratitis. The data derived from these different approaches to quantifying risk and incidence are describedin the following section.

Incidence and Risks of Keratitis in Groups with Medical Indications for Contact Lens wear

The incidence of keratitis in these groups has to be considered separately from that associated with cosmetic CL wear because of differences in the age of the users, characteristics of the lens, and differences in the ocular tissues which may affect the predisposition to keratitis.

Aphakic CLs users are usually elderly; the high plus power that is required in the lenses reduces the oxygen transmission; and corneal sensation and corneal metabolism are affected by cataract surgery. Because the number of patients at risk has been relatively small and the optical benefits of CL wear, as opposed to aphakic spectacle wear, is so great, keratitis in aphakic CL users has received relatively little attention. There have been a number of clinical trials evaluating aphakic CLs, most of which included a few cases of keratitis, unlike the similar studies carried out for the evaluation of cosmetic CLs. These studies showed an incidence of 0% to 6% during various follow-up periods.89–94 The numbers in these clinical trials were too small to establish a precise estimate for the incidence but these studies confirmed the clinical impression that it is relatively high compared to that for cosmetic CL use.

The most precise figures for the incidence of ulcerative keratitis in aphakic lens wear come from a population-based incidence study95 in which the overall annualized incidence for aphakic lens wear was estimated at 52:10,000 with a 7 times higher risk for extended wear compared to daily wear and 6 to 8 times greater risks for aphakic lens wear compared to cosmetic DW SCLs.

For TCL users the risk of infection is known to be high because of the abnormal ocular environment predisposing to infection.96–98 As outlined above, this group of CL users is affected by a different spectrum of organisms than other CL users, compared to whom TCL users have fewer gram-negative infections and a higher incidence of keratitis due to fungi, streptococci, and uncommon bacterial opportunists. Patients using these lenses for the management of bullous keratopathy and neurotrophic keratitis are frequently affected.44 In one study of TCLs for bullous keratopathy four of 30 patients developed keratitis.99

Incidence of Microbial Keratitis in Cosmetic Contact Lens Users

National surveys of CL-related disease have been carried out in both the UK and the U.S. In 1960 a postal survey of U.S. ophthalmologists documented six out of 49,950 eyes blinded from ulcerative keratitis associated with RCL wear in one year. Although no other cases were recorded, some with a better outcome did occur.56 In 1976, 13 cases of corneal infections were recorded in a postal survey of 54 consultant ophthalmologists in the UK over a 3-month period100 when the population of CL users could be only approximately estimated at 250,000. More recent and more precise estimates of the incidence of MK in CL users come from analysis of the pooled results of 48 consecutive pre-market approval studies (clinical trials) for the U.S. Food and Drug Administration, providing annualized incidence rates for keratitis of 6.8:10,000 for DW GPCL use, 5.2:10,000 for DW SCL use, and 18.2:10,000 for reusable EW SCL use.101 These studies were carefully carried out but were not comparative. They were conducted on carefully monitored volunteer users who had given informed consent, with individuals who failed to adhere to the follow-up schedules often excluded. For these reasons, such trials may not be representative of the population of CL users in the real post-marketing situation. Although the information provided by these studies is valuable, the individual studies were too small to give precise estimates of the incidence of keratitis in CL users. As a result, neither the licensing authorities nor CL practitioners were aware of the risks for keratitis associated with the use of EW SCLs.

The problems associated with the interpretation of these data have been successfully addressed in a population-based survey for estimating the incidence of ulcerative keratitis associated with CL wear in New England. This study estimated an annual incidence of ulcerative keratitis in the U.S. of 20.9:10,000 for EW SCL use compared to 4.1:10,000 for DW SCL use.102 The study did not have the power to identify differences between rigid and soft lens types.

A more recent well-designed national study from the Netherlands77 is remarkable in that it demonstrated the same incidence and risks for keratitis in GP, DW, and EW-SCLs that were demonstrated by the studies in the U.S. and the UK 10 years previously.4,29,102 This study is the only incidence study to date that included planned replacement SCL users; although the number of DW SCL users in this category was not reported, almost all the EW SCL users were on 1- to 2-week replacement schedules and were likely to have been using these lenses as disposable lenses. These studies are summarized in Table 5.

 

TABLE 5. Summary of Studies of Annualized Incidence of Microbial Keratitis and Acanthamoeba Keratitis in Cosmetic Contact Lens Wear


AuthorsUlcerative Keratitis Rate Per 10,000 Subjects per yeara
GP RCLDW SCLEW SCL
Poggio et al, 1989102Not estimated4.1:10,000 (2.9–5.2:10,000)20.9:10,000 (15.1–26.7:10,000)
MacRae et al, 19911016.8:10,000 (n = 3907)5.2:10,000 (n = 3591)18.2:10,000 (n = 1276)
Cheng et al, 1999771.1:10,000 (0.6–1.7)3.5:10,000 (2.7–4.5) (included an unknown proportion of frequent replacement/disposable CL users)20:10,000 (10.3–35) (1–2 wk planned replacement/disposable CLs)
Incidence of Acanthamoeba Keratitis per 1,000,000 subjects per year
 Location/yearIncidence per million populationIncidence per million CL users
Radford et al, 1998103UK, 1992–19961.419.5
Radford et al, 20022UK, 1997–19981.2621.14
UK, 1998–19991.1317.53 (Wide regional variations in incidence, from 0–85 per million)
Skarin et al, 1996106Sweden, 1991–19931.35 
Schaumberg et al, 1998105U.S., 1985–19970.15–0.181.65–2.01

GP SCL, gas-permeable rigid contact lens; DW SCL, daily wear soft contact lens; EW SCL, extended wear soft contact lens.
a95% confidence limits where provided.

 

Incidence of Acanthamoeba Keratitis

The case definition for the studies described above was for MK, and almost all cases were proved or assumed to be due to bacteria; thus, they are effectively studies of bacterial keratitis in CL users. Because of the appearance of Acanthamoeba keratitis in the late 1980s and because of the severity of the disease, population-based studies have been carried out in the UK2,103 and the Netherlands.104 Other incidence estimates are available for the U.S.105 and Sweden106 (see Table 5). These studies demonstrate a much greater range of risks for CL users, with wide regional variations from 0 to 85 per million in the UK; the risks for non–CL users are low, and the estimates for the U.S. population are tenfold lower than for elsewhere. The high overall incidence in the UK and the regional variations have been related to the distribution of hard water,1 which results in limescale formation in domestic plumbing that provides an environment favorable to Acanthamoeba,107 combined with the widespread use of tank-stored water, which also favors the proliferation of the organism.48

Risk Factors for Microbial Keratitis in Cosmetic Contact Lens Users

The incidence studies previously described can be used to provide figures for the risk of keratitis using one CL type compared to another type. Another methodology for providing this data is the case control study, in which it is practical to use multivariable analysis to identify factors, other than the type of lens alone, which have contributed to the risk of infection. A number of case control studies have investigated the comparative risks of different CL types, and associated factors, both for microbial (principally bacterial) keratitis and for Acanthamoeba keratitis. Examination of the factors contributing to the development of keratitis has made a major contribution to our understanding of the pathogenesis of the disease. These are summarized in Table 6.4,29,36,77,87,108,109

 

TABLE 6. Summary of Studies of Risks of Corneal Infection in Cosmetic Contact Lens Wear


AuthorOdds Ratiosa
Comparative risks for lens wear and other causes of MK
Dart et al, 19914Ocular surface disease:Trauma:                          CL wear:
7.4x (2–25), PAR% (3.8%)13.9 (6–32), PAR% (22.4%)80.1x (389–167), PAR% (65.1%)
 Contact lens type and odds ratios for MK
 GP RHCL:PMMA RCL:DW SCL:EW SCL:
Dart et al, 199141.0 (referent)1.3x (0.2–9.2) PAR% (0.8%)3.6x (0.9–13.9) PAR% (22.4%)20.8x (7.3–60) PAR% (44.4%)
Schein et al, 198929Not estimatedNot estimated1.0 (referent)5.15x (1.7–16)
Matthews et al, 19921091.0 (referent)Not estimated1.1x (0.1–67.4)Reusable: 4.1x (0.1–330)
   Planned replacement: 13.3x (1.5–630)
Radford et al, 1998108Not estimatedNot estimatedReusable: 1.0 (referent)Reusable: 1.0 (referent)
  Planned replacement: 4.07 (1.7–4.1)Planned replacement: 4.7 (1.52–14.87)
Cheng et al, 1999771.0 (referent)1.0 (referent)Includes reusable and planned replacement: 3.3x (1.9–6.1)Disposable or planned replacement: 18.9x (10–35)
 Other Statistically Significant Risk Factors for MK
Radford et al, 1998108Occasional overnight lens use,3.95x (1.02–15.26)
poor lens case hygiene with chlorine systems;3.77x (1.42–9.98)
irregular disinfection.2.06x (1.03–4.14)
 CL types and risks for Acanthamoeba keratitisb
Radford et al, 199587Reusable DW SCL; 1.0 (referent)Planned replacement DW SCL: 3.8 (1.01–14), p = 0.049
 Hygiene-Related Risk Factors for Acanthamoeba Keratitis
 Peroxide:1.0 (referent)
Chlorine with good compliance14x (3–76), p = 0.01
Chlorine with poor compliance41x (7–232), p = 0.01
No disinfection56x (10–302), p = 0.01

MK, microbial keratitis; CL, contact lens; GP RCL, gas-permeable rigid contact lens; PMMA RCL, polymethyl methacrylate rigid contact lens; DW SCL, daily wear soft contact lens, EW, extended wear soft contact lens.
aThe odds ratio approximates to an estimate of relative risk. Population attributable risk percentage (PAR%) is given where provided (95%confidence limits).
bRelative risks (95% confidence limits) p value.

 

REUSABLE SCLS.

One of the first case control studies showed that CLs were the major cause of MK (accounting for 65% of all new cases) and carried a risk for infection that was six times greater than that of corneal trauma alone.4 There are remarkable consistencies between the four best designed studies, spanning a period of 10 years.4,29,104,108 The two earliest studies were carried out in the U.S.29 and the UK,4 independently, to establish whether there was an increased risk associated with the use of EW SCLs which was an issue of national debate at that time. These both showed an increased risk of 5 times for extended wear of SCLs compared to daily wear. This finding was not confounded by the misuse of lens materials designed for daily wear (i.e.,being used overnight).

Multivariable analysis of case control study data has contributed to our understanding of the pathogenesis of keratitis in CL wear.4,29,36,108,121 This is as a result of identifying additional factors that are associated with the use of different lens types and which contribute to the risk of keratitis. Continuous periods of extended wear of more than 6 days were associated with a further increase in the risk of keratitis,4 which was incrementally related to the period of extended wear.29 Higher risks for keratitis are related to lower socioeconomic status, smoking, and being male — probably factors related to compliance with lens care advice. Surprisingly, no association between hygiene systems and compliance failures was shown in these studies, possibly because the studies had limited power to demonstrate relatively small effects. For keratitis with reusable DW SCL use, poor hygiene itself was shown to have a small but significant effect, and lens case cleaning was shown to be an important factor. However, levels of hygiene compliance were generally poor in both cases and controls.29 Multivariable analysis of more detailed questionnaires in UK studies allowed the effects of hygiene system and compliance to be more fully evaluated for reusable and planned replacement DW SCL patients36,108; these studies showed that both irregular and omitted disinfection, the use of chlorine systems (since withdrawn in the UK), and heat disinfection , now rarely used, all lead to a significantly higher risk of keratitis. These findings are summarized in Table 6. Although poor hygiene compliance increases the risk of keratitis for both planned replacement and reusable DW SCL users, it has been observed that a proportion of keratitis cases have good hygiene and uncontaminated lens care materials,3,122 suggesting that lens hygiene is not the only determinant of keratitis in this group.109 This is not surprising when the high contamination rate of lens storage cases of asymptomatic CL users, associated with current hygiene systems, is considered.123

FACTORS NOT CONFIRMED TO BE RELATED TO THE RISKS OF KERATITIS.

For both daily and extended wear of reusable and planned replacement CLs, many other factors that had been anticipated to affect the risk of developing keratitis have not been proved to do so, that is, any effect must be small, if present. These included factors that might be expected to have a relationship to decreased hygiene compliance, the age of the user, the number of years of lens wear and the period since the last follow-up visit. In addition, there was no effect of lens age on keratitis. This is at variance with what had been predicted from laboratory studies (described later) that show increased bacterial adherence to deposits on lenses; this was expected to result in an increased risk of keratitis with lens age. However, these epidemiologic findings suggest that increased lens contamination due to deposits does not affect the risks of keratitis, and that other factors must be more important.

PLANNED REPLACEMENT DW SCLs, DAILY DISPOSABLE DW SCLs, DISPOSABLE EW SCLs, AND KERATITIS.

In 1989, planned replacement soft lenses were introduced for daily wear and as disposable lenses for extended wear; daily disposable lenses were introduced shortly afterward. Planned replacement and disposability were concepts that were introduced to reduce the complications of CL wear, including infection. These lenses have gained an increasing market share because of a reduction in the minor complications of lens wear,110 in particular that of CL-related papillary conjunctivitis.107,113 There was some skepticism about the rationale for their use, both for extended wear and for daily wear, at a time when planned replacement CLs were still exposed to the contaminated environment of the CL case.86,114 Soon after their introduction, case reports of both bacterial115–118 and Acanthamoeba119 keratitis were published. These were followed by two case control studies, without multivariable analysis, that showed that planned replacement DW SCLs and disposable EW SCLs were probably no different, or worse, than reusable lenses with regard to the risk of keratitis.109,120 The raw results of these two studies may have been confounded by other factors that were not included in the analysis, such as the possibility that hygiene compliance levels might have been different in the users of planned replacement and reusable SCLs.

These questions were later resolved by two subsequent studies that showed that there was a slightly increased risk of MK for the users of planned replacement DW SCLs and disposable EW SCLs108 and that for EW disposable and planned replacement SCLs the risks were unchanged in the 10-year period since the previous studies—that is, 5 times higher compared to DW SCLs.77 These studies leave no doubt that the major risk factor for MK is overnight wear and that, for reusable and planned replacement hydrogel lenses, this cannot be modified by the elimination of the CL case and hygiene systems. Daily disposable SCL use may have reduced, but not eliminated, the risk of MK. Although there is no incidence or case control study including this lens type, there is a widely held perception among clinicians that fewer cases of keratitis than expected are currently being seen and that this correlates with the increasing use of daily disposable CLs. A case series of keratitis from one center reporting both the number of cases and associated lens types has provided some support for this view.78

ACANTHAMOEBA KERATITIS.

The effect of risk factors, other than lens type, has been shown to be much more important in the development of Acanthamoeba keratitis than for bacterial keratitis in CL wearers (for whom the effect of overnight wear is the overriding risk factor with relatively small measurable effects from hygiene practicesee the preceding discussion). For these reasons, the epidemiology of Acanthamoeba keratitis demands separate consideration from that of bacterial keratitis with the implication that, unlike bacterial keratitis, it is an almost entirely avoidable disease in CL users.

An early case control study of SCL-related amoebic keratitis showed that these infections were associated with the use of home-made saline solution, as opposed to proprietary solutions, and with the habit of swimming while wearing CLs.124 Until recently no differences in risk had been identified in association with different types of CLs.124–126 However, soon after the introduction of planned replacement CLs in the UK, the number of cases of Acanthamoeba keratitis increased. A large case series of Acanthamoeba keratitis, including all cases identified between 1984 and 1992, showed that 28/64 consecutive CL users with Acanthamoeba keratitis were using planned replacement lens systems.49 Planned replacement lenses were not introduced into the UK until 1989, and this proportion was much higher than expected from the market penetrance of the lenses at that time. This finding precipitated a case control study87 to establish the factors responsible.

The raw data from the case control study, before the multivariable analysis was done, showed a greatly increased risk associated with the use of planned replacement DW SCLs. However, the multivariable analysis showed that this finding was principally the result of a much poorer standard of lens hygiene in planned replacement SCL users than in reusable SCL users (see Table 6). Omission of hygiene practices increased the risk of keratitis by 56×. In addition, this frequent replacement lens system had been marketed with a chlorine release hygiene system, which is ineffective against Acanthamoeba. Use of this chlorine disinfection system increased the risk for Acanthamoeba keratitis between 14 times and 41 times, depending on how carefully it had been used. The difference in lens hygiene practice between the users of planned replacement DW SCLs and reusable DW SCLs could be attributed to the way in which the planned replacement lenses had been marketed as a “low care” system. Following the publication of this paper, the substantial publicity may have contributed to improved hygiene compliance and reduced incidence of Acanthamoeba keratitis in the UK.127 Subsequent incidence studies confirmed that most CL users who had developed Acanthamoeba keratitis had been exposed to one of the known risk factors for the disease, suggesting that, with due care, the disease is avoidable. These risk factors include swimming while wearing CLs, irregular or absent disinfection, use of both chlorine and one-step peroxide disinfection systems, use of non-sterile water and/or home-made saline, and poor lens case hygiene.2,103

RIGID GAS-PERMEABLE CONTACT LENSES.

The RGP CL has been of less interest because it has been perceived as a safe lens wear modality; it is currently in use by approximately 10% to 15% of all CL users in Europe and the U.S. Case control studies that have included this lens type have shown that the risk of MK is about 3 times less with RGP CLs than with daily wear SCLs4,77,108 and that only 1:10,000 RGP CL users will develop MK.

SILICONE HYDROGEL EXTENDED WEAR CONTACT LENSES.

This new modality, introduced in 1999, may be associated with reduced risks of keratitis attributed to the great improvement in oxygen transmission to the cornea with this lens. Pre-market studies and post-marketing surveillance data have been very encouraging,128 but further data is needed to confirm this before encouraging increased use of extended wear contact lenses.9

The Impact of Cosmetic Contact Lens–Related Keratitis on Populations

The data summarized in Tables 5 and 6 can be used to provide approximations of annualised incidence rates of CL-related keratitis for national populations. Table 7 shows this for the U.S. population in the year 2000. These figures demonstrate the effect on the numbers of keratitis cases that can result from relatively small changes in the proportions of different types of CLs worn. For example, if the use of disposable hydrogel EW SCLs were to be prohibited,more than 9,000 cases of keratitis could be avoided. These estimates demonstrate the importance of relatively small individual risks to the burden of disease when a large population is exposed to them.

 

Table 7. Estimates of the Effect of the Use of Different Lens Types on the Annualized Incidence of Lens-Related Microbial Keratitis in the U.S. in 2000a


CL TypeIncidence estimatesb34 million usersEstimate of keratitis cases
Disposable hydrogel EW SCL1:50017% (5.7 million)11,560c
Planned replacement (not daily disposable) DW SCL1:250044% (11.56 million)4,624
Daily disposable DW SCLUnknown44% (11.56 million)Unknown
GP RCL1:10,00015% (5.1 million)510

aData on number of wearers and proportions of different lens types in use are from the Contact Lens Council, 8201 Corporate Drive, Suite 850, Landover, MD 20785.
bFrom data in Tables 5 and 6.
cIf these individuals used their lenses as planned replacement DWSCLs, the number of keratitis cases in this group would be reduced to 2280, a reduction of 9280.
CL, contact lens; EW, extend wear soft contact lens; DW SCL, daily wear soft contact lens; GP RCL, gas-permeable rigid contact lens.

 

PATHOGENESIS OF MICROBIAL KERATITIS IN CONTACT LENS USERS

The epidemiological studies described previously identified several factors that contribute to the pathogenesis of keratitis in CL users: overnight wear, soft lenses, poor hygiene compliance, and certain hygiene systems. However, epidemiologic studies themselves cannot determine the pathogenesis of disease. This section integrates the epidemiologic data with the clinical and laboratory investigations that have led to our current understanding of the pathogenesis of corneal invasion by bacteria and Acanthamoeba in CL users; the pathogenesis of inflammation and corneal destruction by these organisms is described in other chapters.

Until recently, theories of the pathogenesis of MK in CL users were founded on two principal proposals. First, CL wear, particularly the use of EW SCLs, has extensive effects on the ocular surface129 that might be expected to compromise its resistance to microbial invasion.71,74,130 Second, some of these eyes are exposed to large numbers of bacteria that contaminate a high proportion of CL cases.131,132 The combination of increased susceptibility to infection and increased exposure therefore results in an increased risk of infection. Poor understanding of the pathogenesis of infection in CL users and of the mechanisms underlying these two proposals contributed to both the exacerbation and the perpetuation of the problem of MK in CL wear. An example of a solution is the introduction of extended wear, both reusable and disposable, as a means of reducing exposure to contaminated CL solutions.

In addition, these proposals do not address the questions of why Pseudomonas and Acanthamoeba are more common than other organisms in CL users with keratitis, why there is no link between CL case contamination and keratitis in all patients with keratitis,3,133 and why RCL users are probably at a lower risk for keratitis than SCL users. Some of these observations have now been investigated, contributing to the development of a theory for the pathogenesis of MK in CL users. The following contributory factors must be addressed for both bacterial and amoebic keratitis:

  Source of the organisms
  Role of microbial adherence to the CL
  Colonization of the CL and CL case by bacteria
  Role of the CL in reducing corneal resistance to microbial invasion

BACTERIAL KERATITIS

Source of Bacteria

All of the organisms that commonly cause keratitis in CL users may be isolated from the ocular surface of normal individuals. These include S. aureus, Pseudomonas aeruginosa, and other coliform bacteria.134 These organisms derive from several sources. S. aureus is a widespread human pathogen that is frequently commensal in the nose. P. aeruginosa is a ubiquitous organism in our environment, common in soil, on vegetation, in water, and in the human gut and upper respiratory tract.135 It has also been found to contaminate cosmetics as well as CL care solutions.136 Studies of the conjunctival flora in CL users have shown no qualitative change in the short term, and the numbers of bacteria may be reduced compared to controls (see section on conjunctivitis). However, one study has related conjunctival cultures to contamination by gram-negative flora from contaminated CL cases.22 These have since been shown to be an important additional source of pathogens.136–139 The importance of contamination of CL cases in the pathogenesis of bacterial keratitis in CL users has been known for many years, and the expected link between CL case contamination and keratitis has been confirmed in some studies,131 although an association is not always present.133 CL case contamination probably results from a combination of poor hygiene pracitces and the failure of current disinfection systems in use. The role of the CL case may be to amplify the concentration of the environmental bacteria contaminating the case, thus providing a large inoculum of microorganisms presented to the eye by the CL. The discovery of the potential importance of the bacterial glycocalyx (described later), provides a theoretical mechanism whereby small numbers of bacteria from these environmental sources might be able to amplify in large numbers, both in the CL case and on the CL surface itself.137

The Role of Bacterial Adherence

BACTERIAL ADHERENCE MECHANISMS.

If the contact lens is to act as a vector for bacteria, these must at first adhere to the lens surface. This requires that the bacteria reach the surface, either by fluid or airborne mechanisms. Attraction or repulsion occurs due to the sum of the Van der Waals forces and the electrostatic forces. This is mainly a function of the distance of the bacteria from the surface. These interactions of total Gibbs energies are described by the Derjaguin-Landau and Verwey-Overbeek (DLVO) theory.140 The net result is usually repulsion, but temporary adhesion may occur. This can be broken by mechanical forces or bacterial mobility.141 For a surface bathed in fluid, such as a contact lens, these forces become dependent on the concentration of solutes in the solution. Repulsive electrostatic forces are less effective as ionic strength is increased. They are also influenced by the size of the bacteria and the surface hydrophobicity. Hydrophobic bonding has been shown to be important on many acellular surfaces, outweighing the effect of surface charge, and the degree of adherence may be related to it.142–144 Specific lectin-like bonding, probably mediated by adhesins on bacterial pili, is probably more important in mediating adherence at mucosal surfaces than at acellular surfaces,144 although corneal infection may be caused by non-piliated strains.145 However, lectin-like bonding may be an important factor on lens surfaces covered in ocular deposits, including mucin, which contains sialic acid to which specific Pseudomonas receptors have been demonstrated.146

BACTERIAL ADHERENCE TO CONTACT LENSES.

Numerous studies have been carried out on bacterial adherence to contact lenses to explore the potential for adherent bacteria to cause keratitis. These studies have shown several inconsistencies. Both P. aeruginosa and S. aureus adhere to new and worn SCL and unworn polymethyl methacrylate (PMMA) RCL surfaces, with S. aureus having a much greater affinity for PMMA than Pseudomonas or to soft lenses.147 The greater adherence of S. aureus to PMMA than to the hydrogel SCL materials is predicted by the hydrophobic model of adherence, because PMMA has a surface hydrophobicity in the range associated with maximum bacterial adherence,142 and PMMA is more hydrophobic than are hydrogels.148 Subsequent studies, principally on Pseudomonas, have confirmed that Pseudomonas adheres in large numbers to both new149 and worn lens surfaces. Greater numbers of bacteria may adhere to worn surfaces150 and to focal deposits on SCLs, to which Pseudomonas adheres more avidly than S. aureus.151 Although the effect of ocular deposits in most studies has been to increase lens adherence,151,152 these experiments may represent an oversimplification of the in vivo situation and may have masked interstrain differences and interhost variations in the effect of ocular deposits on adherence. It has been shown that interspecies and interstrain variations in bacterial adherence to lenses occur.153 Surface deposits may or may not enhance the adherence of Pseudomonas.154,155 Inhibition of Pseudomonas adherence in worn lenses has been shown in a rabbit model.156 The hydrophobicity of the CL surface has been shown to dictate composition of the adsorbed tear film, and this then modifies bacterial adhesion to the CL surface.157. Therefore, although bacterial adherence to the lens surface is probably an important factor in the pathogenesis of keratitis, the clinical relevance of enhanced adherence to lens surfaces, when this occurs, has not been not proved. Laboratory findings implying enhanced adherence due to surface deposits do not correlate with case control study findings (already described), which failed to establish an association between lens ageing and keratitis,4,108 or with the findings of the case control studies showing increased risks for keratitis with planned replacement lens use.108

Although these studies have shown that the lens may act as a vector for the delivery of organisms to the eye from a contaminated lens case, it is also probable that the bacteria are able to colonize (replicate in microcolonies on) the surface of the lens. This involves the elaboration of a glycolcalyx by the bacteria and the maturing of this into a biofilm. As a strategy for bacterial survival on a surface, bacterial adherence is important in retaining viable bacteria long enough on the lens surface for a glycocalyx, and later a biofilm, to form.158 The development of these structures results in conversion of reversibly adhering bacteria, that are simply passengers on the lens surface, into replicating bacteria colonizing the lens surface in strongly attached populations. Subsequent to this, adherence of individual bacteria to the surface is likely to be of little significance.

Colonization of the Lens and Lens Case by Bacteria

BACTERIAL GLYCOCALYX AND BIOFILM IN THE PATHOGENESIS OF INFECTION.

In appropriate environmental conditions, most bacteria will secrete a glycocalyx that serves to bind microcolonies of bacteria together. The glycocalyx is a polysaccharide-containing structure produced by the bacteria and lying outside the peptidoglycan and outer membrane of gram-positive and gram-negative organisms.159 This structure is difficult to stabilize for visualization by electron microscopy and is lost when using routine fixation techniques with glutaraldehyde without using specific techniques for stabilization of the structure, such as the use of ruthenium red. Proliferation and organization of bacterial glycocalyx leads to the development of a more complex biofilm that results in irreversible adhesion of bacteria to the surface.158 A biofilm can be defined as a functional consortium of microorganisms organized within an extensive exopolymer matrix.160 It becomes a microcosm within which bacteria replicate, existing either as clusters of organisms or as isolated units. Nutrients may be trapped, bound, and recycled within the matrix but, in general, the bacteria are relatively deprived of nutrition and divide 5 to15 times slower than under planktonic (unattached in suspension) conditions.160a–162 This mechanism for bacterial colonization has been shown to be important in natural ecosystems, as well as on mucosal surfaces,163 in osteomyelitis,164 and on the surface of prostheses.165 Bacterial microcolonies in the glycocalyx are in the “sessile” state, residing within the biofilm where antibody and bacteriophage access to the bacteria is limited. Consequently, bacteria within a biofilm are better able to survive against white blood cells, bacteriophages, amoebae, antibiotics, biocides, surfactants, and mechanical trauma.166–172 However, bacterial antigens may still present at the biofilm surface. The resultant antibody-antigen interaction is often unable to effect bacterial lysis because the bacteria are protected deep in the biofilm.173 These biofilm-enclosed organisms may become mobile, planktonic, or “swarmer” cells when they are free to invade surrounding tissues. In this latter state they do not have the protection afforded by the glycocalyx from phagocytosis, bacteriophages,174 and antibiotics. In addition, these planktonic cells are genotypically identical but phenotypically different from the sessile cells and are particularly sensitive to antibiotics compared to the cells that remain within the biofilm,175–177 as well as to biocides.170 Clinically this difference in susceptibility may result in eradication of the planktonic cells by biocides or antibiotics but persistence of viable bacteria within the biofilm from where further shedding can occur. In vitro data show that the levels of antibiotic must be 20 to 1000 times greater in a biofilm to achieve adequate growth inhibition compared to the same bacteria when they have been liberated into a planktonic state.171,178,179 Similar data exists for biocides.159 This resistance of biofilm to antibiotics and biocidal agents is complex and not completely understood. Three major mechanisms are involved.

First, antibiotic or biocide access to the bacteria may be limited. Theoretically this could be due to impaired diffusion or to binding and/or inactivation of the antibiotic. However, the diffusion coefficients of antibiotics are similar to those of aqueous solutions,180,181 and the actual penetration of antibiotics is unimpaired by the biofilm.182 Selective binding of antibiotics by exopolymers does occur and is significant for ciprofloxacin and iodine but not tobramycin.176,181,183 Bacteria may liberate enzymes such as beta-lactamase that inactivate antibiotics. These enzymes are concentrated within the biofilm, and this causes a decreasing concentration of antibiotic adjacent to the bacteria.184 These last two factors are major contributors to the relative antibiotic resistance.

Second, nutrient availability within the biofilm may reduce the bacterial growth rate. This may cause the cells to adopt a different phenotype to that of planktonic growth. Both of these factors may alter the antibiotic sensitivity.185,186

Third, attachment to a surface may cause inducement and derepression of genes associated with a sessile existence, which may coincidentally alter antimicrobial sensitivity. Interference with this process could prevent bacterial adherence or prevent further production of the biofilm matrix.187

The role of bacterial glycocalyx and biofilm in contact lens–related keratitis.

It is probable that biofilm-enclosed bacterial colonization of surfaces is the rule rather than the exception and that the planktonic or free-living mode of existence that has been studied in the laboratory test tube is an artificial environment for most bacteria.

The kinetics of the development of glycolcalyx suggest that glycocalyx formation can occur rapidly enough for it to be the form in which bacteria are transported to the eye on a CL contaminated in its case. Therefore it is probable that, in different circumstances, the lens promotes keratitis by acting both as a vehicle for mature bacteria and as a surface for bacterial growth and reduplication. In addition, it has recently been suggested that the lens may act as a reservoir for organisms introduced into the conjunctiva from environmental sources other than the CL case, such as contaminated fingers or water. In these circumstances, adherence to the lens may result in a relative increase in the retention time of bacteria at the ocular surface, from a few hours to several hours, as determined by the life of the bacteria. It will not result in an increase in their numbers, or in more prolonged exposure, unless the adherence results in colonization of the lens surface. Recent interest has focused on the formation of lens surface biofilms that would allow this to occur.188–190

If a biofilm is developed by bacteria on the CL surface, this will enable the bacteria to colonize the surface and persist in the eye for prolonged periods. That organisms can colonize lens surfaces without causing keratitis has been shown in a rabbit model in which the numbers of organisms colonizing the lens in biofilm increased in the week following inoculation with Pseudomonas. Although the kinetics of biofilm formation in vivo has not been established, biofilm was well developed by 3 days in this animal model.189

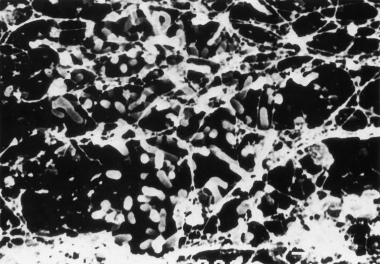
It has been shown in vitro that Pseudomonas will develop a bacterial glycocalyx, illustrated in Figure 7, within an hour of initial adherence to a lens surface.188,192 Bacterial adherence is of importance in retaining viable bacteria long enough on the lens surface for a glycocalyx to form. Subsequent to this, adhesion to the surface may be of little significance. The glycocalyx on a lens surface should not be regarded as isolated from the cornea; the relationship of lens glycocalyx to corneal/bacterial glycocalyx may be important, as P. aeruginosa has been shown to be capable of developing its own glycocalyx on other mucosal surfaces. However, if a corneal surface bacterial glycocalyx can develop, it may be of limited importance in the promotion of keratitis, as models of CL infection have not resulted in keratitis without an epithelial defect193 or severe hypoxia,130 although more subtle damage to the surface layers of epithelium has been shown to enhance adherence.194,195,202,203

Fig. 7. High water–content, ionic soft contact lens with an established Pseudomonas biofilm after 24 hours of exposure to the organisms (Magnification ×10,000.) (Courtesy of Louise McLaughlin-Borlace, MSC.)

The presence of bacterial biofilms on CLs provides one explanation for the pathogenesis of the keratitis that occurs in subjects whose CL cases and solutions are not contaminated by bacteria, and in compliant disposable EW SCL users. In these individuals, bacteria arising in small numbers from the environmental sources may adhere to the lens, whereas in the normal eye they are cleared by the ocular surface defense mechanisms. Pseudomonas has been demonstrated in over 6% of conjunctival cultures from asymptomatic individuals.134 If these adherent bacteria develop a glycocalyx and colonize the lens surface, their numbers can then amplify on the lens itself, increasing the likelihood of infection. This has been demonstrated in keratitis patients.196

Figure 8A shows the cornea of a patient with Pseudomonas keratitis; in Figure 8B, the surface of her lens is shown to be contaminated by a bacterial biofilm. Figure 9 shows transmission electron microscopy of a bacterial biofilm from the lens of another patient with Pseudomonas keratitis. Bacterial biofilm is involved in the persistence of organisms in CL cases,137,190 as shown in Figure 10.

Fig. 8. A. The cornea from a patient with Pseudomonas aeruginosa keratitis associated with daily disposable soft contact lens wear. B. Scanning electron micrograph of the contact lens from the case shown in Figure 10. (Magnification ×4000). (Courtesy of Dr. Fiona Stapleton.)

Fig. 9. Transmission electron microscopy of the contact lens from a patient with Pseudomonas keratitis. (Magnification ×18,000). (Courtesy of Dr. Fiona Stapleton.)

One study of biofilms of CLs and CL cases from patients with MK has shown biofilms in 17/20 CL cases and 11/20 CLs and no correlation with lens hygiene practice; this is to be expected as a result of the resistance of bacterial biofilms to conventional hygiene systems.191 Currently, CL disinfectant systems are tested against organisms in planktonic growth only; this is inadequate in view of the data now available on the ubiquity of bacterial biofilms in CL cases and on CLs.

The Role of the Contact Lens in Reducing Corneal Resistance to Bacterial Invasion of the Cornea

The profound effects on corneal oxygen supply resulting from all CL wear (and EW SCLs in particular), the disturbance of the normal flow of tears over the cornea, and the interference with the normal lid/tear resurfacing mechanisms are among the mechanical and physiologic stresses that may lead to a reduction in the clearance of bacteria contaminating the tear film. These factors may also lead to breaches in the corneal epithelium, common in CL users and necessary for the development of keratitis.74 Most studies of bacterial invasion of the cornea have used Pseudomonas and have shown that an epithelial break is necessary for the development of keratitis146,197–199 and that the bacteria adhere both to the injured epithelium,194 where the presence of glycosphingolipids may act as receptors for Pseudomonas,200 and to the exposed stroma.193,197 It is probable that several other factors are also involved in the adherence of this organism. It has been shown that fibronectin may inhibit Pseudomonas adherence201 and has been proposed that CL wear may promote adherence to the cornea by interfering with corneal cell surface fibronectin.202

A series of recent experiments has related the adhesion (binding) of P. aeruginosa to corneal epithelial cells in both the rabbit model and in humans. In the rabbit model adhesion of P. aeruginosa to the cornea was shown to parallel that to desquamated corneal epithelial cells, and the levels of adhesion could be related to the extended wear of CLs.195 Later experiments by the same group on P. aeruginosa binding to human desquamated corneal epithelial cells have demonstrated good correlation between binding and the use of daily and extended wear RGP SCLs, hydrogel SCLs and silicone/hydrogel SCLs.203,204 This model may be a good predictor of the potential for CLs to cause MK. It is one of the few models that has investigated RGP SCLs. Although RGP SCLs were associated with more epithelial morphologic changes than hydrogel or silicone/hydrogel CLs, their use did not alter the binding of P. aeruginosa to desquamated epithelial cells, correlating with the low incidence of MK found with this lens modality. Silicone/hydrogel lenses had a lesser effect on this measure of the potential for keratitis than hydrogel CLs. Interestingly, the binding of organisms returned to normal after 12 months which, if this is a real predictor of the potential for the development of keratitis, was anticipated to relate to a reduced risk with time. However, two of the epidemiologic studies4,108 did not demonstrate that period of wear was a factor associated with keratitis; these studies may not have had the power to show a small effect, and it remains to be seen how well this in vitro test correlates with keratitis risk.

The findings of these in vitro binding studies correlate with the cell biology of bacterial adherence to epithelial cells. Pili are important in Pseudomonas adherence and have been shown to bind to corneal epithelial cells in an in vitro model and in a buccal cell model in which binding was inhibited by pretreatment with purified pili or anti-pili antibody. After adherence of Pseudomonas, the bacteria rapidly disappear from the surface of the cornea. It is possible that the bacterial and epithelial cell membranes interact, resulting in invasion by the bacterium.145 Recent studies have shown that some strains of Pseudomonas are able to invade cells,204 whereas others are cytotoxic, causing cell necrosis and capable of damaging uninjured corneal epithelium in vitro.205 In addition, migrating epithelial cells bind more lectins than uninjured cells206; these migrating cells demonstrate similar characteristics to basal epithelial cells, to which Pseudomonas may adhere more readily when exposed after trauma. The low risk of keratitis in RGP CL users may be explained by differences in the presence of bacterial receptors on corneal epithelial cells.203

In experimental animal models of Pseudomonas, corneal infection keratitis will not occur in the presence of a contaminated CL unless there is epithelial trauma.189,194 However, suturing the lids together for a prolonged period will result in keratitis in the absence of a mechanical defect in the epithelium, probably as a result of the effects of severe hypoxic stress on epithelial resistance to infection.130,151,207 These findings correlate with the epidemiologic findings of increased risk associated with the overnight wear of hydrogel SCLs.

PATHOGENESIS OF ACANTHAMOEBA KERATITIS

The incidence of Acanthamoeba keratitis is less than that of bacterial keratitis, and its pathogenesis is less well understood, although the role of the contact lens in the pathogenesis of the infection is common to both. Like Pseudomonas, the organisms are widely distributed in the environment. Acanthamoeba is found in air, soil, and salt, fresh, and chlorinated water and can often be isolated from the nasopharyngeal cultures of human upper respiratory tract infections.208,209 In Japan, Acanthamoeba has been isolated from between one half and three quarters of soil samples in three cities and it has been suggested that direct contamination may be more important than CL case contamination. In the UK, Acanthamoeba has been isolated in association with lime-scale from domestic taps in hard water areas, particularly from tank-stored water, common in the UK.107 Subsequent studies confirmed that this was a risk factor for Acanthamoeba keratitis, with 6/27 patients with the disease having identical isolates of Acanthamoeba in their water supply and their eyes,48 correlating with the findings from an incidence study that demonstrated increased numbers of patients living in hard water areas in the UK.1 It seems likely that stored water is the principle source of Acanthamoeba isolated from home-made saline solutions47 and from the CL cases of CL users with Acanthamoeba keratitis.210 These organisms have also been isolated from the CL cases of 4% to 7% of asymptomatic CL users.132,139

Acanthamoeba is almost always present in the CL case environment of patients developing keratitis, as a co-contaminant with bacteria and/or fungi, which are required as a food source for the protozoan. Bacteria have been shown to have different capacities for enhancing both the growth of amoebae211 and their motility.210 Heat disinfection is effective against both Acanthamoeba cysts and trophozoites213,214 and has been advocated215 to provide protection against contamination with this organism. However, heat is not appropriate for use with all CL systems and, despite its in vitro effect, Acanthamoebae have been isolated from the CL cases of individuals using this method.139

Cold CL disinfection systems are not yet required to be effective against Acanthamoeba by the licensing authorities in the UK or U.S. Evaluation of the effect of these disinfection systems on Acanthamoeba trophozoites and cysts has had inconsistent results, possibly due to variations in the methodology, inoculum size, and species or strain susceptibility.216 Few of the systems available are effective when used for the minimum recommended disinfection times for bacteria. Hydrogen peroxide 3% may be effective against Acanthamoeba,217 but 2 to 4 hours217,218 of exposure is required. Peroxide systems that are inactivated within minutes of exposure are ineffective.211,214,218 One study of the susceptibility of Acanthamoeba culbertsonii has shown resistance to 24-hour soaking in hydrogen peroxide 3%,216 Chlorhexidine 0.004% and 0.005% is effective against the organism but also requires a prolonged exposure time219,221 and is susceptible to inactivation by organic debris, which reduces its efficacy.215 Thimerosal has been shown to have variable effects against Acanthamoeba species,213,216,218,220 but has been withdrawn because of the development of keratoconjunctivitis (see Table 2). Chlorine solutions are unlikely to have any effect against Acanthamoeba cysts at the concentrations available in CL solutions215,220; the organism survives in chlorinated tap water and swimming pools,222 and this disinfectant has now been withdrawn following epidemiologic studies demonstrating that it is associated with higher risks for both Acanthamoeba87 and bacterial keratitis.108 The newer CL disinfectants containing polyquaternary ammonium and polyhexamethylene biguanide are ineffective against Acanthamoeba in the concentrations used.203,218–220,222 As a response to the problems of Acanthamoeba keratitis, a new cold disinfection system,, containing myristamidopropyl dimethylamine (MAPD) has been developed to have some activity against Acanthamoeba.223 This system, together with hydrogen peroxide 3% and certain chlorhexidine preparations, are effective after overnight exposure.

Because of its requirement for bacteria as a food source, successful disinfection of bacterial contaminants would reduce or eliminate the problem of Acanthamoeba contamination but, as has already been discussed, this is currently not achieved in practice in 35% to 50% of asymptomatic CL users. These individuals are likely to be at a higher risk for Acanthamoeba keratitis if they are using a disinfection system that has no effect against the Acanthamoeba that may coexist in contaminated CLs cases. Like bacteria, Acanthamoeba cysts and trophozoites have also been shown to adhere to CLs,224 although they can be effectively removed by CL cleaners in vitro.225 Of these cleaners, isopropyl alcohol has been shown to be very effective against both cysts and trophozoites.216,220

The potential for the development of biofilms incorporating Acanthamoeba and bacteria has not been explored but it is probable, by analogy with the situation for bacteria, that biofilms may be important in the persistence of amoebae in CL cases and on lenses. Because of the difficulty of disinfecting lens systems of Acanthamoeba, preventing contamination is of greater importance for this organism than for bacteria. Measures that may protect against contamination include avoiding the use of tap water for cleaning lens cases or lenses, avoiding home-made solutions, cleaning the CL with a surfactant cleaner, drying the CL case after use, and the use of heat or solutions containing MAPD, chlorhexidine or peroxide with overnight soaking of CLs.

Specific adherence mechanisms have been shown for Acanthamoebae to rabbit corneal epithelium,226 and it is probable that these are also important in the pathogenesis of keratitis in humans. However, unlike bacteria, amoebae may be able to invade the corneal epithelium in the absence of an epithelial defect, as shown in vitro for human corneal epithelium227,228 and in a pig model of Acanthamoeba keratitis.229

The rarity of the infection, and the frequency with which CL users may be exposed to Acanthamoeba, implies that most strains of the organism are of low virulence in the cornea. Co-infection with bacteria has been shown to be necessary to establish Acanthamoeba keratitis in a rat model,230 and this may be paralleled in some cases of human keratitis in which co-infection with bacteria has been reported.49 Interstrain variability is almost certainly of importance, both in the ability of the organism to invade as well as its potential to establish keratitis once it has done so. Proteinase production has been shown to differ between pathogenic and nonpathogenic strains,231 and factors such as this are likely to partially determine virulence in the cornea.

Back to Top
SUMMARY OF THEORIES OF THE PATHOGENESIS OF CONTACT LENS-ASSOCIATED MICROBIAL KERATITIS
Figure 11 summarizes the interrelationship of the factors that affect the development of CL-associated keratitis. The presence of microbes on the lens results from a number of factors; the principal organisms causing keratitis are widespread in the CL user's environment. Pseudomonas and Acanthamoeba are present in contaminated water supplies and solutions. CL users may also be exposed to Pseudomonas and other coliforms, such as Serratia, as a result of contamination due to poor hand washing hygiene. Staphylococci colonize the lids, skin, and upper respiratory tract. Microorganisms from these sources may be transferred to the lens and lens case directly during lens hygiene routines such as case washing and lens cleaning and insertion. Compliance failures with hand washing, lens and case cleaning, and disinfection routines increases the load of microorganisms that are transferred to the lens and lens case. These compliance failures may be related to being in lower socioeconomic categories, being male, and smoking. Organisms may also contaminate the lens case as a result of disinfectant system failures. Organisms can colonize the lens case in biofilms that increase their resistance to disinfection regimes. Acanthamoeba requires a case contaminated with bacteria to provide an intermediate food source.

Fig. 11. Relationships of factors affecting contact lens–related keratitis. (Courtesy of the Department of Medical Illustration, Moorfields Eye Hospital, London, UK)

Both bacteria and Acanthamoeba can adhere to the lens, and bacteria have been shown to be capable of colonizing the lens surface as well as simply adhering to it. The lens material, degree of spoilation, and hygiene compliance may all affect this step in pathogenesis. The cornea may be exposed both to microorganisms adherent to the lens or derived from biofilm-enclosed microcolonies on the lens surface. Virulence factors may be important in determining the presence of organisms pathogenic for CL users, their ability to adhere to or colonize the lens, as well as their ability to invade the cornea. Factors affecting the susceptibility of the cornea to keratitis include reduced resistance to infection as the result of the physiologic effects of the lens on the corneal epithelium, exposure of bacterial adhesions on epithelial cells as a result of lens wear, and interference with physical factors important in resistance to infection, such as the tear flow over the ocular surface. The deleterious effect of soft hydrogel extended wear on these factors, together with the possibility of more prolonged exposure to microorganisms colonizing the lens, accounts for the increased risk associated with this lens type. In individuals with very heavily contaminated lens cases and lenses, the size of the inoculum alone, particularly if a virulent organism is involved, may be enough to precipitate keratitis even in a cornea with intact defenses. This may be most relevant to Acanthamoeba, which can probably invade an intact corneal epithelium.

CL wear has provided optical, occupational, sporting, cosmetic, and medical advantages for millions of individuals. The risks of keratitis to the individual are small, but because of the large numbers of users at risk, the burden of unnecessary disease is substantial. The development of keratitis in CL users is a multifactorial problem caused by numerous interrelated factors. The importance of these varies for different organisms and lens systems. In order to create a safer environment for CL users, continued efforts are needed to understand the epidemiology and pathogenesis of these infections and to implement these findings in the development of improved CL hygiene and wear systems. The development of in vitro systems that may be used to assess the potential for keratitis, such as the binding of bacteria to desquamated epithelial cells, would be a major step forward in the development of new lens modalities, if validated.

Our current understanding of the pathogenesis of CL-related keratitis suggests several practices that will reduce the risk of keratitis for CL users. The overnight wear of hydrogel SCLs should be avoided unless patients are prepared to accept the substantially increased risk of keratitis. Acceptance of this risk places a substantial burden of unnecessary keratitis on medical services. The use of RCLs is currently safest, but this lens type is increasingly reserved for specialist use because of reduced comfort, more prolonged adaptation time, and more time-consuming fitting compared to soft lens modalities. It is likely that the increased use of daily disposable SCLs will be shown to have substantially increased safety for DW SCL use; however, definitive case control or incidence studies are needed to confirm the clinical impression that this is the case. The introduction of silicone/hydrogel lenses may prove to be a safe modality for extended wear and, it is hoped that the encouraging findings of the initial case series and in vitro data on bacterial adhesion to desquamated corneal epithelial cells are borne out by post-marketing incidence and case control studies. An encouraging finding in the epidemiologic studies of Acanthamoeba keratitis is the demonstration that this disease is largely preventable by avoiding well-established risk factors and using appropriate hygiene regimens. CL hygiene systems are still lacking in effect against bacterial biofilms, and until strategies for managing CL case biofilms are introduced, there is unlikely to be any change in the risk of keratitis with current planned replacement or reusable DW SCLs.

The interaction of CL manufacturers and CL hygiene system developers with clinical and laboratory scientists has had a beneficial impact on the safety of CL wear which is of benefit both to the individual CL user and to public health.

Back to Top
ACKNOWLEDGMENTS
The author wishes to thank Alison Mathews and Suzanne Cabral for logistic assistance, Louise Harding for Figures 7 and 10, Fiona Stapleton for Figures 8B and 9, and the Department of Medical Illustration at Moorfields Eye Hospital.

Fig. 10. Scanning electron micrograph of the contact lens case from a patient with Pseudomonas keratitis showing a mixed population of rods and cocci in a biofilm. (Courtesy of Louise McLaughlin-Borlace, MSC.)

Back to Top
REFERENCES

1. Radford CF, Minassian DC, Dart JK: Acanthamoeba keratitis in England and Wales: Incidence, outcome, and risk factors. Br J Ophthalmol 86:536–542, 2002.

2. Dart JKG: Disease and risks associated with contact lenses. Br J Ophthalmol 77:49–55, 1993.

3. Dart JKG: Predisposing factors in microbial keratitis: The significance of contact lens wear. Br J Ophthalmol 72:926–930, 1988.

4. Dart JKG, Stapleton F, Minassian D: Contact lenses and other risk factors in microbial keratitis. Lancet 338:650–653,1991.

5. Erie JC, Nevitt MP, Hodge DO et al: Incidence of ulcerative keratitis in a defined population from 1950 through 1988. Arch Ophthalmol 111:1665–1671, 1993.

6. Tighe BJ: Contact lens materials. In Philips AJ, Stone J (eds): Contact Lenses, pp 72–80. 3rd edition. London, Butterworths, 1989.

7. Sabell AG: The history of contact lenses. In Phillips AJ, Stone J (eds): Contact Lenses, pp 1–33. 3rd edition. London, Butterworths, 1989.

8. Polse KA: Factors controlling oxygen tension under a hydrogel contact lens. J Am Optom Assoc 52:203208, 1981.

9. Dart J: Extended-wear contact lenses, microbial keratitis, and public health Lancet.354:174–355, 1999.

10. Sweeney D, Keay L, Jalbert I et al: Clinical performance of silicone hydrogel lenses. In Sweeney D (ed): Silicone Hydrogels—The Rebirth of Continuous Wear, pp 90–149. Oxford, Butterworth-Heinemann, 2000.

11. Mandell RB: Corneal oxygen need and gas permeable contact lenses. J Am Optom Assoc 53:211–214, 1982.

12. Pullum KW, Buckley RJ: A study of 530 patients referred for rigid gas permeable scleral contact lens assessment. Cornea 16:612–622, 1997.

13. Lipmann RE: The FDA rule in contact lens development and safety. Cornea 9(Suppl):S64–S68, 1990

14. Allansmith MR, Korb DR, Greiner JV et al: Giant papillary conjunctivitis in contact lens wearers. Am J Ophthalmol 83:697–709, 1977.

15. Srinivasan BD, Jakobiec FA, Iwamoto T et al: Giant papillary conjunctivitis with ocular prostheses. Arch Ophthalmol 97:892, 1979.

16. Wilson-Holt N, Dart JKG: Thiomersal keratoconjunctivitis, frequency, clinical spectrum and diagnosis. Eye 3:581–587, 1989.

17. Tragakis MP, Brown SI, Pearce DB: Bacteriologic studies of contamination associated with soft contact lenses. Am J Ophthalmol 79:496–499, 1973.

18. Rauchl RT, Rogers JJ: The effect of hydrophilic contact lens wear on the bacterial flora of the human conjunctiva. Int Contact Lens Clin 5:56–62, 1978.

19. Smolin G: The microbial flora in extended wear soft contact lens wearers. Am J Ophthalmol 88:543–547, 1979.

20. McBride ME: Evaluation of microbial flora of the eye during wear of soft contact lenses. Appl Environ Microbiol 37:233–236, 1979.

21. Hovding G: The conjunctival and contact lens bacterial flora during contact lens wear. Acta Ophthalmol 59:387–401, 1981.

22. Morgan JF: Complications associated with contact lens solutions. Ophthalmology 86:1107–1119, 1979.

23. Vasquez RJ, Linberg JV: The anophthalmic socket and the prosthetic eye. A clinical and bacteriologic study. Ophthal Plas Reconstr Surg (U.S.) 5:277–280, 1989.

24. Ablashi DV, Sturtzenegger S, Hunter EA et al: Presence of HTLV-III in tears and cells from the eyes of AIDS patients. J Exp Pathol 3:693–703, 1987.

25. Amin RM, Dean MT, Zaumetzer LE et al: Virucidal efficacy of various lens cleaning and disinfecting solutions on HIV-1 contaminated contact lenses. AIDS Res Hum Retroviruses 7:403–408, 1991.

26. Pepose JS: Contact lens disinfection to prevent transmission of viral disease. CLAO J 14:165–168, 1988.

27. Vaughan DG, Tabbara KF: Prevention of ocular infections. In Tabbara KF, Hyndiuk RA (eds): Infections of the Eye, pp 18–19. Boston, Little, Brown and Co., 1986.

28. Salopek-Rabatic J: Chlamydial conjunctivitis in contact lens wearers: Successful treatment with single dose Azithromycin. CLAO J 27:209–211, 2001.

29. Schein OD, Glynn RJ, Poggio EC et al: The relative risk of ulcerative keratitis among users of daily-wear and extended-wear soft contact lenses. A case control study. N Eng J Med 321:773–778, 1989.

30. Grant T, Terry R, Holden B: Extended wear of hydrogel lenses. Clinical problems and their management. Probl Optom 2:599–621, 1990.

31. Stein RM, Clinch TE, Cohen EJ et al: Infected vs sterile infiltrates in contact lens wearers. Am J Ophthalmol 105:632–636, 1988.

32. Bates AK, Morris RJ, Stapleton F et al: “Sterile” corneal infiltrates in contact lens wearers. Eye 3:803–310, 1989.

33. Willcox MDP, Harmis N, Cowell BA et al: Bacterial interactions with contact lenses; Effects of lens material, lens wear and microbial physiology. Biomaterials 22: 3235–3247, 2001.

34. Bruce AS, Brennan NA: Corneal pathophysiology with contact lens wear. Surv Ophthalmol 35:25–58, 1990.

35. Morlet N, Minassian D, Butcher J et al:. Risk factors for treatment outcome of suspected microbial keratitis. Br J Ophthalmol. 83:1027–1031, 1999.

36. Stapleton F, Dart JKG, Minassian D: Risk factors in contact lens related suppurative keratitis. CLAO J 19:204–210, 1993.

37. Musch DC, Sugar A, Meyer RF: Demographic and predisposing factors in corneal ulceration. Arch Ophthalmol 101:1545–1548, 1983.

38. Coster DJ, Badenoch PR: Host, microbial, and pharmacological factors affecting the outcome of suppurative keratitis. Br J Ophthalmol 71:96–101, 1987.

39. Brightbill FS: Central corneal ulcers. Ann Ophthalmol 4:331–337, 1972.

40. Galentine PG, Cohen EJ, Laibson PR et al: Corneal ulcers associated with contact lens wear. Arch Ophthalmol 102:891–894, 1984.

41. Alfonso E, Mandelbaum S, Fox MJ et al: Ulcerative keratitis associated with contact lens wear. Am J Ophthalmol 101:429–433, 1986.

42. Ormerod DL, Smith RE: Contact lens–associated microbial keratitis. Arch Ophthalmol 104:79–83, 1986.

43. Wilhelmus KR, Robinson NM, Font RA et al: Fungal keratitis in contact lens wearers. Am J Ophthalmol 106:708, 1988.

44. Kent HD, Cohen EJ, Laibson PR et al: Microbial keratitis and corneal ulceration associated with therapeutic soft contact lens wear. CLAO J 16:49–52, 1990.

45. Wilhelmus KR: Review of clinical experience with microbial keratitis associated with contact lenses. CLAO J 13; 211–214, 1987.

46. Anonymous: Acanthamoeba keratitis associated with contact lensesUnited States. MMWR Morb Mortal Wkly Rep 35:405–408, 1986.

47. Stehr-Green JK, Bailey TM, Visvesvara GS: The epidemiology of Acanthamoeba keratitis in the United States. Am J Ophthalmol 107:331–336, 1989.

48. Kilvington S, Gray T, Dart J et al: Acanthamoeba keratitis: The role of domestic tap water contamination in the United Kingdom. Br J Ophthalmol. Submitted.

49. Bacon AS, Frazer DG, Dart JKG et al: A review of seventy-two consecutive cases of Acanthamoeba keratitis 1984–1992. Eye 7:719–725, 1993.

50. Duguid IGM, Dart JKG, Morlet N et al: Outcome of Acanthamoeba keratitis treated with polyhexamethyl biguanide and porpamidine. Ophthalmology 104:1587–1592, 1997.

51. Huber-Spitzy V, Grabner G, Arocker-Mettinger E et al: Acanthamoeba keratitis. An underdiagnosed entity?Klin Monatsbl Augenheilkd 194: 454–457, 1989.

52. Simitzis-Le Flohic AM, Hasle DP, Paniagua-Crespo, E et al: Acanthamoeba keratitis. Epidemiologic and parasitologic study. J Fr Ophtalmol 12:361–366, 1989.

53. Wilson LA, Ahearn DG: Association of fungi with extended wear soft contact lenses. Am J Ophthalmol 101:434–436, 1986.

54. Choi DM, Goldstein MH, Salierno A et al: Fungal keratitis in a daily disposable lens wearer. CLAO J 27:111–112, 2001.

55. Salierno AL, Goldstein MH, Driebe WT: Fungal ring infiltrates in disposable contact lens wearers. CLAO J 27:166–168, 2001.

56. Dixon JM, Young CA, Baldone JA et al; Complications associated with the wearing of contact lenses. JAMA 195:117–119, 1966.

57. Golden D, Fingerman LH, Allen H.F: Pseudomonas corneal ulcers in contact lens wearers. Epidemiology and treatment. Arch Ophthalmol 85:543–547, 1971.

58. Cooper RL, Constable IJ: Infective keratitis in soft contact lens wearers. Br J Ophthalmol 61:250–254, 1977.

59. Krachmer JH, Purcell JJ: Bacterial corneal ulcers in cosmetic soft contact lens wearers. Arch Ophthalmol 96:57–61, 1976.

60. Parment PA, Ronnerstam RA: Soft contact lens keratitis associated with Serratia marcescens. Acta Ophthalmologica 59:560–565, 1981.

61. Lass H.J., Haaf J., Foster C.S. et al: Visual outcome in eight cases of Serratia marcescens keratitis. Am J Ophthalmol 92:384–390, 1981.

62. Barry PJ, Ruben M: Contact lens injuries An analysis of consecutive patients presenting to Moorfields Eye Hospital Casualty Department. Contact Lens J 9:6–10, 1980.

63. Liesgang TJ, Forster RK: Spectrum of microbial keratitis in South Florida. Am J Ophthalmol 90:38–47, 1980.

64. Wilson LA, Schlitzer RL, Ahearn DG: Pseudomonas corneal ulcers associated with soft contact lens wear. Am J Ophthalmol 92:546–554, 1981.

65. Sjostrand J, Luiner E, Nygren B et al: Severe corneal infections in a contact lens wearer. Lancet 1:149–150, 1981.

66. Rosner M, Treister G, Blumenthal M: Corneal abrasions in silicone and soft contact lens wearers. Ann Ophthalmol 15:949–952, 1983.

67. Weissman BA, Mondino BJ, Pettit TH et al: Corneal ulcers associated with extended wear soft contact lenses. Am J Ophthalmol 97:451–476, 1984.

68. Hassman C, Sugar J: Pseudomonas corneal ulcer with extended wear soft contact lenses for myopia. Arch Ophthalmol 101:1549–1550, 1983.

69. Adams CP, Cohen EJ, Laibson PR et al: Corneal ulcers in patients with cosmetic extended wear contact lenses. Am J Ophthalmol 96:705–709, 1983.

70. Patrinely JR, Wilhelmus KR, Rubin JM et al: Bacterial keratitis associated with extended wear soft contact lenses. CLAO J 11:234–236, 1985.

71. Mondino BJ, Weissman BA, Farb MD et al: Corneal ulcers associated with daily-wear and extended-wear contact lenses. Am J Ophthalmol 102:58–65, 1986.

72. Clemons CS, Cohen EJ, Arentsen JJ et al: Pseudomonas ulcers following patching of corneal abrasions associated with contact lens wear. CLAO J 13:161–164, 1987.

73. Cohen EJ, Laibson PR, Arentsen JJ et al: Corneal ulcers associated with cosmetic extended wear soft contact lenses. Ophthalmology 94:109–114, 1987.

74. Chalupa E, Swarbrick HA, Holden BA et al: Severe corneal infections associated with contact lens wear. Ophthalmology 94:17–22, 1987.

75. Starr MB: Paecilomyces lilacinus keratitis: Two case reports in extended wear contact lens wearers. CLAO J 13:95–101, 1987.

76. Cohen EJ, Fulton JC, Hoffman CJ et al: Trends in contact lens associated corneal ulcers. Cornea 15:566–570, 1996

77. Cheng KH, Leung SL, Hoekman HW et al: Incidence of contact lens associated microbial keratitis and its related morbidity. Lancet 354:181–185, 1999.

78. Rattatnam T, Heng WJ, Rapuano CJ et al: Trends in contact lens related corneal ulcers. Cornea 20:290–294, 2000.

79. Houang E, Lam D, Fan D et al: Microbial keratitis in Hong Kong: Relationship to climate, environment and contact lens disinfection. Trans Roy Soc Trop Med Hyg 95:361–367, 2001.

80. Mathers WD, Goldberg MA, Sutphin JE et al: Coexistent Acanthamoeba keratitis and herpetic keratitis. Arch Ophthalmol 115:714–118, 1997.

81. Parsons MR, Holland EJ, Agapitos PJ: Nocardia asteroids keratitis associated with extended wear soft contact lenses, Can J Ophthalmol 24:120–122, 1989.

82. Broadway DC, Kerr-Muir MG, Eykyn SJ: Mycobacterium chelonei keratitis: A case report and review of previously reported casesEye 8:134–142, 1994.

83. Zabel RW, Mintsioulis G, MacDonald I: Mycobacterium chelonei keratitis in a soft-contact-lens wearer. Can J Ophthalmol 23:315–317, 1988.

84. Theng J, Chan C, Ling ML et al: Microsporidial keratoconjunctivitis in a healthy contact lens wearer without human immunodeficiency virus infection. Ophthalmology 108:976–978, 2001.

85. Smith RE, MacRae SM: Contact lenses—Convenience and complications. N Eng J Med 321:824–826, 1989.

86. Anonymous. Disposable contact lenses. Lancet 1:1437, 1988.

87. Radford CF, Bacon AS, Dart JKG et al: Risk factors for acanthamoeba keratitis in contact lens users: A case-control study. Br Med J 310:1567–1570, 1995.

88. Dart JKG: The epidemiology of contact lens related disease in the United Kingdom. CLAO J 19:241–246, 1993.

89. Stark WJ, Kracher GP, Cowan CL et al: Extended wear contact lenses and intraocular lenses for aphakic correction. Am J Ophthalmol 88:535–542, 1979.

90. Salz JJ, Schlanger JL: Prolonged wear soft contact lenses. Am Intra-ocular Implant Soc J 6:246–248, 1980.

91. Eichenbaum JW, Feldstein M, Podes SM: Extended wear aphakic contact lenses and corneal ulcers. Br J Ophthalmol 66:663–666, 1982.

92. Martin NP, Kracher GP, Stark WJ et al: Extended wear soft contact lenses for aphakic correction. Arch Ophthalmol 101:39–141, 1983.

93. Keates RH, Lembach RG, Genstler DE: Unilateral pseudophakia and extended wear aphakic contact lenses. A comparative study in a single patient population. Am Intra-ocular Implant Soc J 9:29–33, 1983.

94. Kersley JH, Kerr C, Pierse D: Hydrophilic lenses for ‘continuous’ wear in aphakia: Definitive fitting and problems that occur. Br J Ophthalmol 61:38–42, 1977.

95. Glynn RJ, Schein OD, Seddon JM et al: The incidence of ulcerative keratitis among aphakic contact lens wearers in New England. Arch Ophthalmol 109:104–107, 1991.

96. Hovding G: Hydrophilic contact lenses in corneal disorders. Acta Ophthalmol 62:566–576, 1984.

97. Brown SI, Bloomfield S, Pearse DB et al: Infections with the therapeutic soft lenses. Arch Ophthalmol 91:275–277, 1974.

98. Dohlman CH: Complications in therapeutic soft lens wear. Trans Am Acad Ophthalmol Otolaryngol 78:399–405, 1974.

99. Andrew NC, Woodward EG: The bandage lens in bullous keratopathy. Ophthalmic Physiol Opt 9:66–68, 1989.

100. Ruben M: Acute eye disease secondary to contact lens wear. Lancet 1:138–139, 1976.

101. MacRae S, Herman C, Stulting RD et al: Corneal ulcer and adverse reaction rates in premarket contact lens studies. Am J Ophthalmol 111:457–465, 1991.

102. Poggio EC, Glynn RJ, Schein OD et al:. The incidence of ulcerative keratitis among users of daily-wear and extended-wear soft contact lenses. N Eng J Med 321:779–783, 1989.

103. Radford CF, Lehmann OJ, Dart JKG: National Acanthamoeba study group. Acanthamoeba keratitis: Multicentre survey in England 1992–1996. Br J Ophthalmol 82:1387–1392, 1998.

104. Cheng KH, Kijlstra A: Contact-lens-associated microbial keratitis in the Netherlands and Scotland. Lancet 355:144, 2000.

105. Schaumberg DA, Snow KK, Dana MR: The epidemic of Acanthamoeba keratitis: Where do we stand?Cornea 17:3–10, 1998.

106. Skarin A, Flor$AB$n I, Kiss K et al: Acanthamoeba keratitis in the south of Sweden. Acta Ophthalmol Scand 74:593–597, 1996.

107. Seal D, Stapleton F, Dart J: Possible environmental sources of Acanthamoeba spp. in contact lens wearers. Br J Ophthalmol 76:424–427, 1992.

108. Radford CF, Minassian DC, Dart JKG: Disposable contact lens use as a risk factor for microbial keratitis. Br J Ophthalmol 82:1272–1275, 1998.

109. Matthews TD, Frazer DG, Minassian DC et al: Risks of keratitis and patterns of use with disposable contact lenses. Arch Ophthalmol 110:1559–1562, 1992.

110. Driebe WT: Disposable soft contact lenses. Surv Ophthalmol 34:44–46, 1989.

112. Poggio EC, Abelson M: Complications and symptoms in disposable extended wear lenses compared with conventional soft daily wear and soft extended wear lenses. CLAO J 19:31–39, 1993.

113. Donshik PC, Porazinski AD: Giant papillary conjunctivitis in frequent-replacement contact lens wearers: A retrospective study. Trans Am Ophth Soc 97:205–220, 1999.

114. John T: How safe are disposable contact lenses?Am J Ophthalmol 111:766–768, 1991.

115. Parker WT, Wong SK: Keratitis associated with disposable soft contact lenses. Am J Ophthalmol 107:195, 1989.

116. Killingsworth DW, Stern GA: Pseudomonas keratitis associated with the use of disposable soft contact lenses. Arch Ophthalmol 107:795–796, 1989.

117. Rabinowitz SK, Pflugfelder SC, Goldberg M: Disposable extended-wear contact lens–related keratitis. Arch Ophthalmol 107:1121, 1989.

118. Glastonbury J, Crompton JL: Pseudomonas aeruginosa corneal infection associated with disposable contact lens use. Aust N Z J Ophthalmol 17:451, 1989.

119. Ficker L, Hunter P, Seal D et al: Acanthamoeba keratitis occuring with disposable contact lens wear. Am J Ophthalmol 108:453, 1989.

120. Buehler PO, Schein OD, Stamler JF et al: The increased risk of ulcerative keratitis among disposable soft contact lens users. Arch Ophthalmol 110:1555–1558, 1992.

121. Schein OD, Buehler PO, Stamler JF et al: The impact of overnight wear on the risk of contact lens–associated ulcerative keratitis. Arch Ophthalmol 112:186–174, 1994.

122. Stapleton F, Dart JKG, Seal DV et al: Epidemiology of Pseudomonas aeruginosa keratitis in contact lens wearers. Epidemiol Infect 114:395–402, 1995.

123. Dart JKG: Contamination of contact lens storage cases. Br J Ophthalmol 74:129–130, 1990.

124. Stehr-Green JK, Bailey TM, Brandt FH et al: Acanthamoeba keratitis in soft contact lens wearers: A case control study. JAMA 258:57–60, 1987.

125. Moore MB, McCulley JP, Luckenbach M et al: Acanthamoeba keratitis associated with soft contact lenses. Am J Ophthalmol 100:396–403, 1985.

126. Koenig SB, Solomon JM, Hyndiuk RA et al: Acanthamoeba keratitis associated with gas-permeable contact lens wear. Am J Ophthalmol 103:832, 1987.

126a. Stehr-Green JK, Bailey TM, Visvesvara GS: The epidemiology of Acanthamoeba keratitis in the United States. Am J Ophthalmol 107:331–336, 1989.

127. Morlet N, Duguid G, Radford C et al: Incidence of Acanthamoeba keratitis associated with contact lens wear. Lancet 350:414, 1997.

128. Holden BA, Sankaridurg PR, Jalbert I: Adverse events and infections: Which ones and how many? In Sweeney D (ed): Silicone Hydrogels—The Rebirth of Continuous Wear, pp 150–213. Oxford, Butterworth-Heinemann, 2000.

129. Holden BA, Sweeney DF, Vannas A et al: Effects of long-term extended contact lens wear on the human cornea. Invest Ophthalmol Vis Sci 26:1489–1501, 1985.

130. Lawin-Brussel CA, Refojo MF, Leong FL et al: Time course of experimental Pseudomonas keratitis in contact lens overwear. Arch Ophthalmol 108:1012–1019, 1990.

131. Mayo MS, Cook WL, Schlitzer RL et al: Antibiograms, serotypes, and plasmid profiles of Pseudomonas aeruginosa associated with corneal ulcers and contact lens wear. J Clin Microbiol 24:372–376, 1986.

132. Larkin DFP, Kilvington S, Easty DL: Contamination of contact lens storage cases by Acanthamoeba and bacteria. Br J Ophthalmol 74:133–135, 1990.

133. Stapleton F, Dart JKG, Seal DV et al: Epidemiology of Pseudomonas aeruginosa keratitis in contact lens wearers. Epidemiol Infec. 114:395–402, 1995.

134. Tomar VPS, Sharma OP, Joshi K: Bacterial and fungal flora of normal conjunctiva. Ann Ophthalmol 3:669–71, 1991.

135. Ryan KR: Pseudomonas and other opportunistic gram-negative bacilli. In Sherris JC (ed): Medical Microbiology: An Introduction to Infectious Diseases, pp 264–270. New York, Elsevier, 1984.

136. Wilson LA, Ahearn DG: Pseudomonas-induced corneal ulcers associated with contaminated eye mascaras. Am J Ophthalmol 84:112–119, 1977.

137. Wilson LA, Sawant AD, Simmons RB et al: Microbial contamination of contact lens storage cases and solutions. Am J Ophthalmol 110:193–198, 1990.

138. Donzis PB, Mondino BJ, Weissman BA et al: Microbial contamination of contact lens care systems. Am J Ophthalmol 104:325–333, 1987.

139. Devonshire P, Munro FA, Abernethy C et al: Microbial contamination of contact lens cases in the west of Scotland. Br J Ophthalmol 77:41–45, 1993.

140. Rutter PR, Vincent B: Physico-chemical interactions of the sub-stratum, microorganisms and the fluid phase. In Marshal KC (ed): Microbial Adhesion and Aggregation, pp 21–38. Berlin, Springer-Verlag, 1984.

141. van Loosdrecht MC, Lyklema J, Norde W et al: Bacterial adhesion: A physicochemical approach. Microbiol Ecol 54:75–87, 1989.

142. Pringle JH, Fletcher M: Influence of substratum wettability on attachment of freshwater bacteria to solid surfaces. Appl Environ Microbiol 45:811–817, 1983.

143. Rosenberg M, Judes H, Weiss E: Cell surface hydrophobicity of dental plaque micro-organisams in situ. Infect Immunol 42:831–834, 1983.

144. Rosenberg E, Gottlieb A, Rosenberg M: Inhibition of bacterial adherence to hydrocarbons and epithelial cells by emulsan. Infect Immunol 39:1024–1028, 1983.

145. Stern GA, Lubniewski A, Allen C: The interaction between Ps. aeruginosa and the corneal epithelium. Arch Ophthalmol 103:1221–1225, 1985.

146. Hazlett LD, Rosen DD, Berk RS: In vivo identification of sialic acid as the ocular receptor for Pseudomonas aeruginosa. Infect Immunol 51:687–689, 1986.

147. Dart JKG, Badenoch PR: Bacterial adherence to contact lenses. CLAO J 12:220–224, 1986.

148. Holly FJ: Protein and lipid absorption by acrylic hydrogels and their relation to water wettability. J Polymer Sci 66:409–417, 1979.

149. Duran JA, Refojo MF, Gipson IK et al: Pseudomonas attachment to new hydrogel contact lenses. Arch Ophthalmol 105:106–109, 1987.

150. Butrus S, Klotz SA, Misra RP: The adherence of Pseudomonas aeruginosa to soft contact lenses. Ophthalmology 94:1311–1314, 1987.

151. Aswad MI, John T, Barza M et al: Bacterial adherence to extended wear contact lenses. Ophthalmology 97:296–302, 1990.

152. Stern GA, Zam ZS: The pathogensis of contact lens associated Pseudomonas aeruginosa to hydrophilic contact lenses. J Clin Microbiol 5:41–45, 1986.

153. Klotz SA, Butrus SI, Misra RP et al: The contribution of bacterial hydrophobicity to the process of adherence of Pseudomonas aeruginosa to hydrophilic contact lenses. Curr Eye Res 8:195–202, 1989.

154. Miller MJ, Ahearn DG: Adherence of Pseudomonas aeruginosa to hydrophilic contact lenses and other substrata. J Clin Microbiol 25:1392–1397, 1987.

155. Miller MJ, Wilson LA, Ahearn DG: Effects of protein, mucin and human tears on adherence of Pseudomonas aeruginosa to hydrophilic contact lenses. J Clin Microbiol 26:513–517, 1988.

156. Lawin-Brussel CA, Refojo MF, Leong FL et al: Pseudomonas attachment to low-water and high-water, ionic and non-ionic, new and rabbit worn soft contact lenses. Invest Ophthalmol Vis Sci 32:657–662, 1991.

157. Bruinsma GM, van der Mei HC, Busscher HJ: Bacterial adhesion to surface hydrophilic and hydrophobic contact lenses. Biomaterials 22:3217–3224, 2001.

158. Marshall KC, Stout R, Mitchell R: Mechanism of the initial event in the sorbtion of marine bacteria to surfaces. J Gen Microbiol 68:337–348, 1971.

159. Costerton JW, Irvin RT, Cheng KJ: The bacterial glycocalyx in nature and disease. Ann Rev Microbiol 35:299–234, 1981.

160. Costerton JW, Cheng KJ, Geesey GG et al: Bacterial biofilms in nature and disease. Ann Rev Microbiol 41:435–464, 1987.

160a. Brock TD: Microbial growth rates in nature. Bacteriol Rev 35:39–58, 1971.

161. Endy J, Burrows P: Generation times of Proteus mirabilis and Escherichia coli in experimental infections. Chemotherapy 19:161–170, 1973.

162. Smith H: The mounting interest in bacterial and viral pathogenicity. Ann Rev Microbiol 43:1–22, 1989.

163. Gristina AG, Costerton JW: Bacterial adherence and the glycocalyx and their role in musculoskeletal infection. Orthop Clin North Am 15:517–135, 1984.

164. Gristina AG, Oga M, Webb LX et al: Adherent bacterial colonisation in the pathogenesis of osteomyelitis. Science 228:991–993, 1985.

165. Gristina AG, Costerton JW: Bacterial adherence to biomaterials and tissue. J Bone Joint Surg 67:264–273, 1985.

166. Peterson PK, Wilkinson BJ, Kim Y et al: Influence of encapsulation on staphylococcal opsonisation and phagocytosis by human polymorphonuclear leucocytes. Infect Immunol 19:943–949, 1978.

167. Schwarzmann S, Boring JR: Antiphagocytic effect of slime from a mucoid strain of pseudomonas aeruginosa. Infect Immunol 3:762–767, 1971.

168. Witnak E, Bisno AL, Beachey EH: Hyaluronate capsule prevents attachment of group A streptococci to mouse peritoneal macrophages. Infect Immunol 31:985–991, 1981.

169. Govan JR: Mucoid strains of pseudomonas aeruginosa: The influence of culture medium on the stability of mucus production. J Med Microbiol 8:513–522, 1975.

170. Ruseska I, Robbins J, Lashen ES et al: Biocide testing against corrosion-causing oilfield bacteria helps control plugging. Oil Gas J 253–264, 1982.

171. Nickel JC, Ruseska I, Wright JB et al: Tobramycin resistance of Pseudomonas aeruginosa cells growing as a biofilm on urinary tract catheter material. Antimicrob Agents Chemother 27:619–624, 1985.

172. Nickel JC, Ruseska I, Whitfield C et al: Antibiotic resistance of Pseudomonas aeruginosa colonising a urinary catheter in vivo. Eur J Clin Microbiol 4:213–218, 1985.

173. Dasgupta MK, Zubbenbuhler P, Abbi A et al: Combined evaluation of circulating immune complexes and antibodies to Pseudomonas aeruginosa as an immunologic profile in relation to pulmonary function in cystic fibrosis. J Clin Immunol 7:51–58, 1986.

174. Costerton JW, Lam J, Lam K et al: The role of the microcolony mode of growth in the pathogenesis of P. aeruginosa infections. Rev Infect Dis 5(Suppl):S867–S873, 1983.

175. Evans DJ, Brown MR, Allison DG et al: Susceptibility of bacterial biofilms to tobramycin: Role of specific growth rate and phase division cycle. J Antimicrob Chemother 25:585–591, 1990.

176. Evans DJ, Allison DG, Brown MR et al: Susceptibility of Pseudomonas aeruginosa and Escherichia coli biofilms towards ciprofloxacin: Effect of specific growth rate. J Antimicrob Chemother 27:177–184, 1991.

177. Gilbert P, Brown MR, Costerton JW: Inocula for antimicrobial sensitivity testing: A critical review. J Antimicrob Chemother 20:147–154, 1987.

178. Gristina AG, Hobgood CD, Webb LX et al: Adhesive colonization of biomaterials and antibiotic resistance. Biomaterials 8:423–426, 1987.

179. Prosser BLI, Taylor D, Dix BA et al: Method of evaluating effects of antibiotics upon bacterial biofilm. Antimicrob Agents Chemother 31:1502–1506, 1987.

180. Nichols WW, Dorrington SM, Slack MP: Inhibition of tobramycin diffusion by binding to alginate. Antimicrob Agents Chemother 32:518–532, 1988.

181. Nichols WW, Evans MJ, Slack MP et al: The penetration of antibiotics into aggregates of mucoid and non-mucoid Pseudomonas aeruginosa. J Gen Microb 135:1291–1303, 1989.

182. Gristina AG, Jennings RA, Naylor PT et al: Comparative in vitro antibiotic resistance of surface colonising coagulase negative staphylococci. Antimicrob Agents Chemother 33:813–816, 1989.

183. Favero MS, Bond WW, Petersen NJ et al: Scanning electron microscopic study of bacteria resistant to iodophore solutions. In digenis GA, Ansell J (eds): Proceedings of the International Symposium on Povidone Iodine. Lexington, University of Kentucky Press, 1983.

184. Giwercman B, Jensen ET, Hoiby N et al: Induction of β-lactamase production in Pseudomonas aerginosa biofilms. Antimicrob Agents Chemother 35:1008–1010, 1991.

185. Brown MR, Williams P: Influence of substrate limitation and growth phase on sensitivity to antimicrobial agents. J Antimicrob Chemother 15:7–14, 1985.

186. Tuomanen E, Cozens R, Tosch W et al: The rate of killing of Escherichia coli by β-lactam antibiotics is strictly proportional to the rate of bacterial growth. J Gen Microb 132:1297–1304, 1986.

187. Dagostino L, Goodman AE, Marshall KC: Physiological responses induced in bacteria adhering to surfaces. Biofouling 4:113–119, 1991.

188. Slusher MM, Myrvik QN, Lewis JC et al: Extended-wear lenses, biofilm, and bacterial adhesion. Arch Ophthalmol 105:110–115, 1987.

189. Dart JKG, Peacock LJ, Grierson I et al: Ocular surface, contact lens and bacterial interactions in a rabbit model. Trans Br Contact Lens Assoc Conf pp 95–97, 1988.

190. Elder MJ, Stapleton F, Evans E et al: Biofilm-related infections in ophthalmology. Eye 9:102–109, 1995.

191. McLaughlin Borlace L, Stapleton F, Dart JKG: Bacterial biofilm on contact lenses and in lens storage cases in wearers with microbial keratitis. J Appl Microbiol 84: 827–838, 1998.

192. Stapleton F, Dart JKG, Matheson M et al: Bacterial adherence and glycocalyx formation on unworn hydrogel lenses. J Br Contact Lens Assoc 16:113–117, 1993.

193. Stapleton F, Dart J: Pseudomonas keratitis associated with biofilm formation on a disposable soft contact lens (letter). Br J Ophthalmol 79:864–865, 1995.

194. DiGaetano M, Stern GA, Zam ZS: The pathogenesis of contact lens–associated Pseudomonas aeruginosa corneal ulceration: II. An animal model. Cornea 5:155–158, 1986.

195. Klotz SA, Ay Y-K, Misra RP: A partial-thickness epithelial defect increases the adherence of Pseudomonas aeruginosa to the cornea. Invest Ophthalmol Vis Sci 30:1069–1074, 1989.

196. Ren H, Petroll WM, Jester JV et al:. Adherence of Pseudomonas aeruginosa to shed rabbit corneal epithelial cells after overnight wear of contact lenses. CLAO J 23:63–68, 1997.

197. Stapleton F, Dart J: Pseudomonas keratitis associated with biofilm formation on a disposable soft contact lens (letter). Br J Ophthalmol 79: 864–865, 1995.

198. Ramphal R, Mc Niece MT, Polack FM: Adherence of Ps. aeruginosa to the injured cornea: A step in the pathogenesis of corneal infections. Ann Ophthalmol 13:421–425, 1981.

199. Hazlett LD, Wells PA, Berk RS: Scanning electron microscopy of the normal and experimentally infected ocular surface. Scanning Electron Microsc 3:1379–1389, 1984.

200. Panjwani N, Zaidi TS, Gigstad JE et al: Binding of Pseudomonas aeruginosa to neutral glycosphingolipids of rabbit corneal epithelium. Infect Immun 58:114–118, 1990.

201. Abraham SN, Beachey EH, Simpson WA: Adherence of Streptococcus pyogenes, Escherichia coli, and Pseudomonas aeruginosa to fibronectin coated and uncoated epithelial cells. Infect Immun 41:1261–128, 1983.

202. Ladage PM, Yamamoto K, Ren DH, Cavanaugh HD et al: Effects of rigid and soft contact lens daily wear on corneal epithelium, tear lactate dehydrogenase, and bacterial binding to exfoliated epithelial cells. Ophthalmology 108:1279–1288, 2001.

203. Ren DH, Yamamoto K, Ladage PM et al: Adaptive effects of 30-night wear of Hyper-O2 transmissible contact lenses on bacterial binding and corneal epithelium. A I year clinical trial. Ophthalmology 109:27–39, 2002.

204. Fleiszig SMJ, Zaidi TS, Pier GB: Pseudomonas aeruginosa survival and multiplication within corneal epithelial cells in vitro. Infect Immun 63:4072–4077, 1995.

205. Fleiszig SMJ, Lee EJ, Wu C et al: Cytotoxic strains of Pseudomonas aeruginosa can damage the intact corneal surface in vitro. CLAO J 24:41–47, 1998.

206. Gipson IK, Riddle CV, Kiorpes TC et al: Lectin binding to cell surfaces: omparisons between normal and migrating corneal epithelium. Dev Biol 96:337–345, 1983.

207. Aswad MI, Barza M, Baum J: Effect of lid closure on contact lens–associated Pseudomonas keratitis. Arch Ophthalmol 107:1667–1670, 1989.

208. Auran JD, Starr MB, Jakobiec FA: Acanthamoeba keratitis. A review of the literature. Cornea 6:2–26, 1987.

209. Visvesvara GS, Stehr-Green JK: Epidemiology of free-living moeba infections. J Protozool 37:25S–33S, 1990.

210. Donzis PB, Mondino BJ, Weissman BA et al: Microbial analysis of contact lens care systems contaminated with Acanthamoeba. Am J Ophthalmol 108:53–56, 1989.

211. Bottone EJ, Madayag RM, Qureshi MN: Acanthamoeba keratitis: Synergy between amebic and bacterial cocontaminants in contact lens care systems as a prelude to infection. J Clin Microbiol 30:2447–2450, 1992.

212. Larkin DF, Easty DL: External eye flora as a nutrient source for Acanthamoeba. von Graefes Arch Clin Exp Ophthalmol 228:458–460, 1990.

213. Ludwig IH, Meisler DM, Rutherford I et al: Susceptibility of Acanthamoeba to soft contact lens disinfection systems. Invest Ophthalmol Vis Sci 27:626–628, 1986.

214. Lindquist TD, Doughman DJ, Rubenstein JB et al: Acanthamoeba-contaminated hydrogel contact lenses. Susceptibility to disinfection. Cornea 7:300–303, 1988.

215. Seal DV, Hay J: Contact lens disinfection and Acanthamoeba: problems and practicalities. Pharm J 248:717–719, 1992.

216. Connor CG, Hopkins SL, Salisbury RD: Effectivity of contact lens disinfection systems against Acanthamoeba culbertsoni. Optom Vis Sci 68:138–141, 1991.

217. Brandt FH, Ware DA, Vivesvara GS: Viability of Acanthamoeba cysts in ophthalmic solutions. Appl Environ Microbiol 56:1144–1146, 1989.

218. Silvany SE, Dougherty JM, McCulley JP et aql: The effect of currently available contact lens disinfection systems on Acanthamoeba castellani and Acanthamoeba polyphaga. Ophthalmology 97:286–290, 1990.

219. Kilvington S, Anthony Y, Davies DJG et al: Effect of contact lens disinfectants against Acanthamoeba cysts. Rev Infect Dis 13(Suppl5):S414–S415, 1991.

220. Penley CA, Willis SW, Sickler SG: Comparative antimicrobial efficacy of soft and rigid gas permeable contact lens solutions against Acanthamoeba. CLAO J 15:257–260, 1989.

221. Rutherford I, Katanik MT, Meisler DM: Efficacy of a chlorhexidine tablet system for the disinfection of soft contact lenses against Acanthamoeba species. Rev Infect Dis 13(Suppl 5):S416–S41:1991.

222. De Jonkheere J, Van der Woorde H. Difference in destruction of cysts of pathogenic and nonpathogenic Nagleria and Acanthamoeba by chlorine. Appl Environ Microbiol 31:294–297, 1976.

223. Kilvington S. Highes R, Byas J et al: Activities of therapeutic agents and myristamidopropyl dimethylamine against Acanthmaoeba isolates. Antimicrob Agents Chemother 46:2007–2009, 2002.

224. John T, Desai D, Sahm D: Adherence of Acanthamoeba castellani cysts and trophozoites to unworn contact lenses. Am J ophthalmol 108:658–664, 1989.

225. Kilvington S: Acanthamoeba trophozoite and cyst adherence to four types of soft contact lens and removal by cleaning agents. Eye 7:535–538, 1993.

226. Panjwani N, Zhao Z, Baum J et al: Acanthamoebae bind to glycolipids of rabbit corneal epithelium. Infect Immun 60:3460–3463, 1992.

227. Niederkorn JY, Ubelbaker JE, McCulley JP et al: Susceptibility of corneas from various animal species to in vitro binding and invasion by Acanthamoeba castellani. Invest Ophthalmol Vis Sci 33:104–112, 1992.

228. Osato M, Pyron M, Elizondo M et al: Adherence and penetration of human corneal epithelium by Acanthamoeba. Invest Ophthalmol Vis Sci 31(Suppl):420, 1990.

229. He YG, McCulley JP, Alizadeh H et al: A pig model of Acanthamoeba keratitis: Transmission via contaminated contact lenses. Invest Ophthalmol Vis Sci 33:126–132, 1992.

230. Badenoch PR, Johnson AM, Christy PE et al: Pathogenesis of Acanthamoeba and a Corynebacterium in the rat cornea. Arch Ophthalmol 108:107–112, 1990.

231. Hadas E, Mazur T: Proteolytic enzymes of pathogenic and non-pathogenic strains of Acanthamoeba spp. Trop Med Parasitol 44:197–200, 1993.

Back to Top